Подшипники гост
Интернет-магазин
8-800-250-16-58
Обратный звонок

Заказ обратного звонка




Эл. почта:
info@amost.ru
Свои заказы Корзина пуста





Получать прайс-лист на email:

Чтобы отписаться от рассылки, введите e-mail, на который вы получаете наши письма:

 

Поиск подшипников

Масса и размеры

Внутренний диаметр d, мм

От  до 

Наружный диаметр D, мм

От  до 

Ширина b, мм

Применяемость

Раздел каталога

Подшипник роликовый радиальный с короткими цилиндрическими роликами однорядный с бортами на наружном кольце и с однобортовым внутренним кольцом

42319 М ТУ 37.006.087

Отечественный
Импортный

Производитель



уточнять наличие
Обозначение 42319 М ТУ 37.006.087
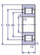
Внутренний диаметр, d (мм) 95
Наружный диаметр, D (мм) 200
Ширина, В (мм) 45
Масса, m (кг) 7.43
Грузоподъемность динамическая, C (kN) 264
Грузоподъемность статическая, Co (kN) 190
Ном. частота вращен. при пластич. смазке, n grease (1/min) 3000
Марка стали, Материал ШХ-15
Ном. частота вращен. при жидк. смазке, n oil (1/min) 3600
Диаметр борта наружного кольца, D1(mm) 163.5
Диаметр борта внутреннего кольца, d1 (mm) 130.5
Радиус фаски, r1, r2 min (мм) 3
Размеры ролика, dxl (мм) 26х26
Количество роликов, N роликов 14
42319 М ТУ 37.006.087
Бренд Обозначение
ГПЗ 42319
SKF NJ319
FAG NJ319
NSK NJ319
Товар добавлен в корзину
Перейти в корзину ×