Подшипники гост
Интернет-магазин
8-800-250-16-58
Обратный звонок

Заказ обратного звонка




Эл. почта:
info@amost.ru
Свои заказы Корзина пуста





Получать прайс-лист на email:

Чтобы отписаться от рассылки, введите e-mail, на который вы получаете наши письма:

 

Поиск подшипников

Масса и размеры

Внутренний диаметр d, мм

От  до 

Наружный диаметр D, мм

От  до 

Ширина b, мм

Применяемость

Раздел каталога

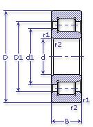
Подшипник роликовый радиальный с короткими цилиндрическими роликами однорядный с бортами на наружном кольце и с однобортовым внутренним кольцом

42516 ЛМ ГОСТ 520

Отечественный
Импортный
Цена: 1 346.00 руб

Производитель



под заказ
Обозначение 42516 ЛМ ГОСТ 520
Внутренний диаметр, d (мм) 80
Наружный диаметр, D (мм) 140
Ширина, В (мм) 33
Масса, m (кг) 1.95
Грузоподъемность динамическая, C (kN) 147
Грузоподъемность статическая, Co (kN) 106
Ном. частота вращен. при пластич. смазке, n grease (1/min) 4000
Марка стали, Материал ШХ-15
Ном. частота вращен. при жидк. смазке, n oil (1/min) 4800
Диаметр борта наружного кольца, D1(mm) 118.3
Диаметр борта внутреннего кольца, d1 (mm) 101.2
Радиус фаски, r1, r2 min (мм) 2
Размеры ролика, dxl (мм) 15х22
Количество роликов, N роликов 18
42516 ЛМ ГОСТ 520
Бренд Обозначение
ГПЗ 42516
SKF NJ2216
FAG NJ2216
NSK NJ2216
Товар добавлен в корзину
Перейти в корзину ×