Подшипники гост
Интернет-магазин
8-800-250-16-58
Обратный звонок

Заказ обратного звонка




Эл. почта:
info@amost.ru
Свои заказы Корзина пуста





Получать прайс-лист на email:

Чтобы отписаться от рассылки, введите e-mail, на который вы получаете наши письма:

 

Поиск подшипников

Масса и размеры

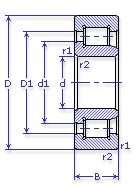
Внутренний диаметр d, мм

От  до 

Наружный диаметр D, мм

От  до 

Ширина b, мм

Применяемость

Раздел каталога

Подшипник роликовый радиальный с короткими цилиндрическими роликами однорядный с бортами на наружном кольце и с однобортовым внутренним кольцом

42612 КМ ЕТУ ВНИПП.500

Отечественный
Импортный

Производитель



уточнять наличие
Обозначение 42612 КМ ЕТУ ВНИПП.500
Внутренний диаметр, d (мм) 60
Наружный диаметр, D (мм) 130
Ширина, В (мм) 46
Масса, m (кг) 2.9
Грузоподъемность динамическая, C (kN) 168
Грузоподъемность статическая, Co (kN) 186.5
Ном. частота вращен. при пластич. смазке, n grease (1/min) 4300
Марка стали, Материал ШХ-15
Ном. частота вращен. при жидк. смазке, n oil (1/min) 5000
Размеры ролика, dxl (мм) 18х26
Количество роликов, N роликов 11
42612 КМ ЕТУ ВНИПП.500

Этот подшипник может быть заменен другими:

Подшипник 62612 — Упорное внутреннее кольцо изъять

Марка Модель Узел Кол-во на узел
Автопогрузчик 4065 Грузоподъемник 4
КЗКТ Э538ДК Коробка раздаточная 1
КЗКТ Э538ДП Коробка раздаточная 1
МАЗ 537 Коробка раздаточная 1
МАЗ 537Г Коробка раздаточная 1
МАЗ 538 Коробка раздаточная 2
МАЗ 543 Коробка раздаточная 1
МАЗ 7310 Коробка раздаточная 1
МАЗ 73101 Коробка раздаточная 1
МАЗ 7410 Коробка раздаточная 1
Трактор Т-11.01.01Я Лебедка 1
Трактор Т-11.01.01ЯМ Лебедка 1
Трактор Т-11.01.01ЯМП Лебедка 1
Бренд Обозначение
ГПЗ 42612
SKF NJ2312
FAG NJ2312
Товар добавлен в корзину
Перейти в корзину ×