Подшипники гост
Интернет-магазин
8-800-250-16-58
Обратный звонок

Заказ обратного звонка




Эл. почта:
info@amost.ru
Свои заказы Корзина пуста





Получать прайс-лист на email:

Чтобы отписаться от рассылки, введите e-mail, на который вы получаете наши письма:

 

Поиск подшипников

Масса и размеры

Внутренний диаметр d, мм

От  до 

Наружный диаметр D, мм

От  до 

Ширина b, мм

Применяемость

Раздел каталога

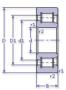
Подшипник роликовый радиальный с короткими цилиндрическими роликами однорядный с бортами на наружном кольце и с однобортовым внутренним кольцом

42616 М ГОСТ 520

Отечественный
Импортный

Производитель



уточнять наличие
Обозначение 42616 М ГОСТ 520
Внутренний диаметр, d (мм) 80
Наружный диаметр, D (мм) 170
Ширина, В (мм) 58
Масса, m (кг) 5.85
Грузоподъемность динамическая, C (kN) 275
Грузоподъемность статическая, Co (kN) 196
Ном. частота вращен. при пластич. смазке, n grease (1/min) 3200
Марка стали, Материал ШХ-15
Ном. частота вращен. при жидк. смазке, n oil (1/min) 3800
Диаметр борта наружного кольца, D1(mm) 139
Диаметр борта внутреннего кольца, d1 (mm) 111
Радиус фаски, r1, r2 min (мм) 2.1
Размеры ролика, dxl (мм) 22х34
Количество роликов, N роликов 14
42616 М ГОСТ 520

Этот подшипник может быть заменен другими:

Подшипник 62616 — Упорное внутреннее кольцо изъять

Бренд Обозначение
ГПЗ 42616
SKF NJ2316
FAG NJ2316
Товар добавлен в корзину
Перейти в корзину ×