Подшипники гост
Интернет-магазин
8-800-250-16-58
Обратный звонок

Заказ обратного звонка




Эл. почта:
info@amost.ru
Свои заказы Корзина пуста





Получать прайс-лист на email:

Чтобы отписаться от рассылки, введите e-mail, на который вы получаете наши письма:

 

Поиск подшипников

Масса и размеры

Внутренний диаметр d, мм

От  до 

Наружный диаметр D, мм

От  до 

Ширина b, мм

Применяемость

Раздел каталога

Подшипник роликовый радиальный с короткими цилиндрическими роликами однорядный с бортами на наружном кольце и с однобортовым внутренним кольцом

42620 М ТУ ВНИПП 048-1

Отечественный
Импортный

Производитель



уточнять наличие
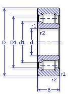
Обозначение 42620 М ТУ ВНИПП 048-1
Внутренний диаметр, d (мм) 100
Наружный диаметр, D (мм) 215
Ширина, В (мм) 73
Масса, m (кг) 13.3
Грузоподъемность динамическая, C (kN) 440
Грузоподъемность статическая, Co (kN) 355
Ном. частота вращен. при пластич. смазке, n grease (1/min) 2400
Марка стали, Материал ШХ-15
Ном. частота вращен. при жидк. смазке, n oil (1/min) 3000
Диаметр борта наружного кольца, D1(mm) 172.9
Диаметр борта внутреннего кольца, d1 (mm) 140.1
Радиус фаски, r1, r2 min (мм) 2
Размеры ролика, dxl (мм) 28х44
Количество роликов, N роликов 14
42620 М ТУ ВНИПП 048-1
Бренд Обозначение
ГПЗ 42620
SKF NJ2320
FAG NJ2320
Товар добавлен в корзину
Перейти в корзину ×