Подшипники гост
Интернет-магазин
8-800-250-16-58
Обратный звонок

Заказ обратного звонка




Эл. почта:
info@amost.ru
Свои заказы Корзина пуста





Получать прайс-лист на email:

Чтобы отписаться от рассылки, введите e-mail, на который вы получаете наши письма:

 

Поиск подшипников

Масса и размеры

Внутренний диаметр d, мм

От  до 

Наружный диаметр D, мм

От  до 

Ширина b, мм

Применяемость

Раздел каталога

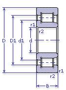
Подшипник роликовый радиальный с короткими цилиндрическими роликами однорядный с бортами на наружном кольце и с однобортовым внутренним кольцом

42626 МW3 ТУ 37.006.087

Отечественный
Импортный

Производитель



уточнять наличие
Обозначение 42626 МW3 ТУ 37.006.087
Внутренний диаметр, d (мм) 130
Наружный диаметр, D (мм) 280
Ширина, В (мм) 93
Масса, m (кг) 31.9
Грузоподъемность динамическая, C (kN) 900
Грузоподъемность статическая, Co (kN) 1230
Ном. частота вращен. при пластич. смазке, n grease (1/min) 1800
Марка стали, Материал ШХ-15
Ном. частота вращен. при жидк. смазке, n oil (1/min) 2200
Размеры ролика, dxl (мм) 38х62
Количество роликов, N роликов 14
42626 МW3 ТУ 37.006.087
Бренд Обозначение
ГПЗ 42626
SKF NJ2326
FAG NJ2326
Товар добавлен в корзину
Перейти в корзину ×