Подшипники гост
Интернет-магазин
8-800-250-16-58
Обратный звонок

Заказ обратного звонка




Эл. почта:
info@amost.ru
Свои заказы Корзина пуста





Получать прайс-лист на email:

Чтобы отписаться от рассылки, введите e-mail, на который вы получаете наши письма:

 

Поиск подшипников

Масса и размеры

Внутренний диаметр d, мм

От  до 

Наружный диаметр D, мм

От  до 

Ширина b, мм

Применяемость

Раздел каталога

Подшипник роликовый радиальный с короткими цилиндрическими роликами однорядный с бортами на наружном кольце и с однобортовым внутренним кольцом

42726 ГОСТ 520

Отечественный
Импортный

Производитель



уточнять наличие
Обозначение 42726 ГОСТ 520
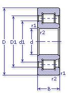
Внутренний диаметр, d (мм) 130
Наружный диаметр, D (мм) 250
Ширина, В (мм) 80
Масса, m (кг) 18.9
Грузоподъемность динамическая, C (kN) 610
Грузоподъемность статическая, Co (kN) 720
Ном. частота вращен. при пластич. смазке, n grease (1/min) 2200
Марка стали, Материал ШХ-15
Ном. частота вращен. при жидк. смазке, n oil (1/min) 3000
Диаметр борта наружного кольца, D1(mm) 205
Диаметр борта внутреннего кольца, d1 (mm) 173
Радиус фаски, r1, r2 min (мм) 3
Размеры ролика, dxl (мм) 32х52
Количество роликов, N роликов 14
42726 ГОСТ 520
Марка Модель Узел Кол-во на узел
Железнодорожный транспорт Вагон подвижного состава Не указано -
Товар добавлен в корзину
Перейти в корзину ×