Подшипники гост
Интернет-магазин
8-800-250-16-58
Обратный звонок

Заказ обратного звонка




Эл. почта:
info@amost.ru
Свои заказы Корзина пуста





Получать прайс-лист на email:

Чтобы отписаться от рассылки, введите e-mail, на который вы получаете наши письма:

 

Поиск подшипников

Масса и размеры

Внутренний диаметр d, мм

От  до 

Наружный диаметр D, мм

От  до 

Ширина b, мм

Применяемость

Раздел каталога

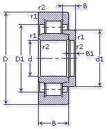
Подшипник роликовый радиальный с короткими цилиндрическими роликами однорядный с бортами на наружном кольце с безбортовым внутренним кольцом и с фасонным кольцом

52536 АЛМШ ГОСТ 520

Отечественный
Импортный

Производитель



уточнять наличие
Обозначение 52536 АЛМШ ГОСТ 520
Внутренний диаметр, d (мм) 180
Наружный диаметр, D (мм) 320
Ширина, В (мм) 98/86
Масса, m (кг) 33.1
Грузоподъемность динамическая, C (kN) 1100
Грузоподъемность статическая, Co (kN) 1040
Ном. частота вращен. при пластич. смазке, n grease (1/min) 1700
Марка стали, Материал ШХ-15
Ном. частота вращен. при жидк. смазке, n oil (1/min) 2000
Размеры ролика, dxl (мм) 34х55
Количество роликов, N роликов 18
52536 АЛМШ ГОСТ 520
Бренд Обозначение
ГПЗ 52536
SKF NU2236+HJ2236
FAG NU2236+HJ2236
Товар добавлен в корзину
Перейти в корзину ×