Подшипники гост
Интернет-магазин
8-800-250-16-58
Обратный звонок

Заказ обратного звонка




Эл. почта:
info@amost.ru
Свои заказы Корзина пуста





Получать прайс-лист на email:

Чтобы отписаться от рассылки, введите e-mail, на который вы получаете наши письма:

 

Поиск подшипников

Масса и размеры

Внутренний диаметр d, мм

От  до 

Наружный диаметр D, мм

От  до 

Ширина b, мм

Применяемость

Раздел каталога

Подшипник роликовый радиальный с короткими цилиндрическими роликами однорядный с бортами на наружном кольце с безбортовым внутренним кольцом и с фасонным кольцом

52624 ЛМШ1 ГОСТ 520

Отечественный
Импортный
Цена: 4 901.00 руб

Производитель



под заказ
Обозначение 52624 ЛМШ1 ГОСТ 520
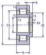
Внутренний диаметр, d (мм) 120
Наружный диаметр, D (мм) 260
Ширина, В (мм) 86
Масса, m (кг) 25.1
Грузоподъемность динамическая, C (kN) 792
Грузоподъемность статическая, Co (kN) 630
Ном. частота вращен. при пластич. смазке, n grease (1/min) 1900
Марка стали, Материал ШХ-15
Ном. частота вращен. при жидк. смазке, n oil (1/min) 2400
Диаметр борта наружного кольца, D1(mm) 212.6
Диаметр борта внутреннего кольца, d1 (mm) 164.6
Радиус фаски, r1, r2 min (мм) 3
Высота упорной части кольца, В1 (мм) 14
Размеры ролика, dxl (мм) 36х58
Количество роликов, N роликов 13
52624 ЛМШ1 ГОСТ 520
Бренд Обозначение
ГПЗ 52624
SKF NU2324+HJ2324
FAG NU2324+HJ2324
Товар добавлен в корзину
Перейти в корзину ×