Подшипники гост
Интернет-магазин
8-800-250-16-58
Обратный звонок

Заказ обратного звонка




Эл. почта:
info@amost.ru
Свои заказы Корзина пуста





Получать прайс-лист на email:

Чтобы отписаться от рассылки, введите e-mail, на который вы получаете наши письма:

 

Поиск подшипников

Масса и размеры

Внутренний диаметр d, мм

От  до 

Наружный диаметр D, мм

От  до 

Ширина b, мм

Применяемость

Раздел каталога

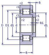
Подшипник роликовый радиальный с короткими цилиндрическими роликами однорядный с бортами на наружном кольце с однобортовым внутренним кольцом и с фасонным кольцом

62315 КМ ТУ ВНИПП.087

Отечественный
Импортный

Производитель



уточнять наличие
Обозначение 62315 КМ ТУ ВНИПП.087
Внутренний диаметр, d (мм) 75
Наружный диаметр, D (мм) 160
Ширина, В (мм) 37/48
Масса, m (кг) 3.92
Грузоподъемность динамическая, C (kN) 183
Грузоподъемность статическая, Co (kN) 205
Ном. частота вращен. при пластич. смазке, n grease (1/min) 3800
Марка стали, Материал ШХ-15
Ном. частота вращен. при жидк. смазке, n oil (1/min) 4500
Размеры ролика, dxl (мм) 22х22
Количество роликов, N роликов 13
62315 КМ ТУ ВНИПП.087

Этот подшипник может быть заменен другими:

Подшипник 42315 — При сохранении упорного кольца от заменяемого подшипника

Марка Модель Узел Кол-во на узел
Трактор Т-4А Передача конечная: шестерня ведущая -
Трактор Т10.02 Шестерня ведущей конечной передачи -
Трактор ТТ-4М Передача конечная: шестерня ведущая -
Трактор ТТ-4М-01 Передача конечная: шестерня ведущая -
Бренд Обозначение
ГПЗ 62315
SKF NJ315+HJ315
FAG NJ315+HJ315
NSK NH315
Товар добавлен в корзину
Перейти в корзину ×