Подшипники гост
Интернет-магазин
8-800-250-16-58
Обратный звонок

Заказ обратного звонка




Эл. почта:
info@amost.ru
Свои заказы Корзина пуста





Получать прайс-лист на email:

Чтобы отписаться от рассылки, введите e-mail, на который вы получаете наши письма:

 

Поиск подшипников

Масса и размеры

Внутренний диаметр d, мм

От  до 

Наружный диаметр D, мм

От  до 

Ширина b, мм

Применяемость

Раздел каталога

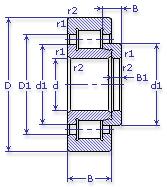
Подшипник роликовый радиальный с короткими цилиндрическими роликами однорядный с бортами на наружном кольце с однобортовым внутренним кольцом и с фасонным кольцом

62330 М ТУ ВНИПП 048-1

Отечественный
Импортный

Производитель



уточнять наличие
Обозначение 62330 М ТУ ВНИПП 048-1
Внутренний диаметр, d (мм) 150
Наружный диаметр, D (мм) 320
Ширина, В (мм) 80/65
Масса, m (кг) 29.6
Грузоподъемность динамическая, C (kN) 675
Грузоподъемность статическая, Co (kN) 820
Ном. частота вращен. при пластич. смазке, n grease (1/min) 1700
Марка стали, Материал ШХ-15
Ном. частота вращен. при жидк. смазке, n oil (1/min) 2000
Размеры ролика, dxl (мм) 42х42
Количество роликов, N роликов 14
62330 М ТУ ВНИПП 048-1

Этот подшипник может быть заменен другими:

Подшипник 42330 — При сохранении упорного кольца от заменяемого подшипника

Бренд Обозначение
ГПЗ 62330
SKF NJ330+HJ330
FAG NJ330+HJ330
NSK NH330
Товар добавлен в корзину
Перейти в корзину ×