Подшипники гост
Интернет-магазин
8-800-250-16-58
Обратный звонок

Заказ обратного звонка




Эл. почта:
info@amost.ru
Свои заказы Корзина пуста





Получать прайс-лист на email:

Чтобы отписаться от рассылки, введите e-mail, на который вы получаете наши письма:

 

Поиск подшипников

Масса и размеры

Внутренний диаметр d, мм

От  до 

Наружный диаметр D, мм

От  до 

Ширина b, мм

Применяемость

Раздел каталога

Подшипник роликовый радиальный с короткими цилиндрическими роликами однорядный с бортами на наружном кольце с однобортовым внутренним кольцом и с фасонным кольцом

62417 К1МW3 ТУ 37.006.072

Отечественный
Импортный

Производитель



уточнять наличие
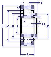
Обозначение 62417 К1МW3 ТУ 37.006.072
Внутренний диаметр, d (мм) 85
Наружный диаметр, D (мм) 210
Ширина, В (мм) 66/52
Масса, m (кг) 10.829
Грузоподъемность динамическая, C (kN) 319
Грузоподъемность статическая, Co (kN) 357.5
Ном. частота вращен. при пластич. смазке, n grease (1/min) 3000
Марка стали, Материал ШХ-15
Ном. частота вращен. при жидк. смазке, n oil (1/min) 3600
Размеры ролика, dxl (мм) 32х32
Количество роликов, N роликов 12
62417 К1МW3 ТУ 37.006.072

Этот подшипник может быть заменен другими:

Подшипник 42417 — При сохранении упорного кольца от заменяемого подшипника

Бренд Обозначение
ГПЗ 62417
SKF NJ417+HJ417
FAG NJ417+HJ417
NSK NH417
Товар добавлен в корзину
Перейти в корзину ×