Подшипники гост
Интернет-магазин
8-800-250-16-58
Обратный звонок

Заказ обратного звонка




Эл. почта:
info@amost.ru
Свои заказы Корзина пуста





Получать прайс-лист на email:

Чтобы отписаться от рассылки, введите e-mail, на который вы получаете наши письма:

 

Поиск подшипников

Масса и размеры

Внутренний диаметр d, мм

От  до 

Наружный диаметр D, мм

От  до 

Ширина b, мм

Применяемость

Раздел каталога

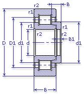
Подшипник роликовый радиальный с короткими цилиндрическими роликами однорядный с бортами на наружном кольце с однобортовым внутренним кольцом и с фасонным кольцом

62616 ГОСТ 520

Отечественный
Импортный

Производитель



уточнять наличие
62616 ГОСТ 520

Этот подшипник может быть заменен другими:

Подшипник 42616 — При сохранении упорного кольца от заменяемого подшипника

Бренд Обозначение
ГПЗ 62616
SKF NJ2316+HJ2316
FAG NJ2316+HJ2316
NSK NH2316
Товар добавлен в корзину
Перейти в корзину ×