Подшипники гост
Интернет-магазин
8-800-250-16-58
Обратный звонок

Заказ обратного звонка




Эл. почта:
info@amost.ru
Свои заказы Корзина пуста





Получать прайс-лист на email:

Чтобы отписаться от рассылки, введите e-mail, на который вы получаете наши письма:

 

Поиск подшипников

Масса и размеры

Внутренний диаметр d, мм

От  до 

Наружный диаметр D, мм

От  до 

Ширина b, мм

Применяемость

Раздел каталога

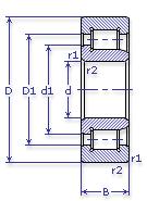
Подшипник роликовый радиальный с короткими цилиндрическими роликами однорядный с бортами на наружном кольце и с однобортовым внутренним кольцом

42317 Л1М ГОСТ 520

Отечественный
Импортный

Производитель



уточнять наличие
Обозначение 42317 Л1М ГОСТ 520
Внутренний диаметр, d (мм) 85
Наружный диаметр, D (мм) 180
Ширина, В (мм) 41
Масса, m (кг) 5.4
Грузоподъемность динамическая, C (kN) 212
Грузоподъемность статическая, Co (kN) 146
Ном. частота вращен. при пластич. смазке, n grease (1/min) 3400
Марка стали, Материал ШХ-15
Ном. частота вращен. при жидк. смазке, n oil (1/min) 4000
Диаметр борта наружного кольца, D1(mm) 145
Диаметр борта внутреннего кольца, d1 (mm) 117
Радиус фаски, r1, r2 min (мм) 3
Размеры ролика, dxl (мм) 24х24
Количество роликов, N роликов 14
42317 Л1М ГОСТ 520
Бренд Обозначение
ГПЗ 42317
SKF NJ317
FAG NJ317
NSK NJ317
Товар добавлен в корзину
Перейти в корзину ×