Подшипники гост
Интернет-магазин
8-800-250-16-58
Обратный звонок

Заказ обратного звонка




Эл. почта:
info@amost.ru
Свои заказы Корзина пуста





Получать прайс-лист на email:

Чтобы отписаться от рассылки, введите e-mail, на который вы получаете наши письма:

 

Поиск подшипников

Масса и размеры

Внутренний диаметр d, мм

От  до 

Наружный диаметр D, мм

От  до 

Ширина b, мм

Применяемость

Раздел каталога

Подшипник роликовый радиальный с короткими цилиндрическими роликами однорядный с бортами на наружном кольце с однобортовым внутренним кольцом и с фасонным кольцом

62613 М ГОСТ 520

Отечественный
Импортный

Производитель



уточнять наличие
Обозначение 62613 М ГОСТ 520
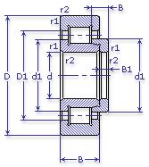
Внутренний диаметр, d (мм) 65
Наружный диаметр, D (мм) 140
Ширина, В (мм) 48
Масса, m (кг) 4.01
Грузоподъемность динамическая, C (kN) 173
Грузоподъемность статическая, Co (kN) 129
Ном. частота вращен. при пластич. смазке, n grease (1/min) 4000
Марка стали, Материал ШХ-15
Ном. частота вращен. при жидк. смазке, n oil (1/min) 5000
Диаметр борта наружного кольца, D1(mm) 114.9
Диаметр борта внутреннего кольца, d1 (mm) 91
Радиус фаски, r1, r2 min (мм) 2.1
Высота упорной части кольца, В1 (мм) 10
Размеры ролика, dxl (мм) 19х28
Количество роликов, N роликов 13
62613 М ГОСТ 520

Этот подшипник может быть заменен другими:

Подшипник 42613 — При сохранении упорного кольца от заменяемого подшипника

Бренд Обозначение
ГПЗ 62613
SKF NJ2313+HJ2313
FAG NJ2313+HJ2313
NSK NH2313
Товар добавлен в корзину
Перейти в корзину ×