Подшипники гост
Интернет-магазин
8-800-250-16-58
Обратный звонок

Заказ обратного звонка




Эл. почта:
info@amost.ru
Свои заказы Корзина пуста





Получать прайс-лист на email:

Чтобы отписаться от рассылки, введите e-mail, на который вы получаете наши письма:

 

Поиск подшипников

Масса и размеры

Внутренний диаметр d, мм

От  до 

Наружный диаметр D, мм

От  до 

Ширина b, мм

Применяемость

Раздел каталога

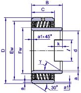
Подшипник роликовый радиальный с витыми роликами с выступающим внутренним кольцом

15236 ТУ ВНИПП 048-1

Отечественный
Импортный

Производитель



уточнять наличие
Обозначение 15236 ТУ ВНИПП 048-1
Внутренний диаметр, d (мм) 180
Наружный диаметр, D (мм) 320
Ширина, В (мм) 149/215
Масса, m (кг) 57.6000
Марка стали, Материал ШХ-15
15236 ТУ ВНИПП 048-1
Товар добавлен в корзину
Перейти в корзину ×