Подшипники гост
Интернет-магазин
8-800-250-16-58
Обратный звонок

Заказ обратного звонка




Эл. почта:
info@amost.ru
Свои заказы Корзина пуста





Получать прайс-лист на email:

Чтобы отписаться от рассылки, введите e-mail, на который вы получаете наши письма:

 

Поиск подшипников

Масса и размеры

Внутренний диаметр d, мм

От  до 

Наружный диаметр D, мм

От  до 

Ширина b, мм

Применяемость

Раздел каталога

Подшипник роликовый радиальный с витыми роликами с выступающим внутренним кольцом

15740 ОСТ 37.006.002

Отечественный
Импортный
Цена: 75 946.00 руб

Производитель



под заказ
Обозначение 15740 ОСТ 37.006.002
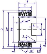
Внутренний диаметр, d (мм) 200
Наружный диаметр, D (мм) 340
Ширина, В (мм) 175/240
Масса, m (кг) 73.8
Марка стали, Материал ШХ-15
15740 ОСТ 37.006.002
Товар добавлен в корзину
Перейти в корзину ×