Подшипники гост
Интернет-магазин
8-800-250-16-58
Обратный звонок

Заказ обратного звонка




Эл. почта:
info@amost.ru
Свои заказы Корзина пуста





Получать прайс-лист на email:

Чтобы отписаться от рассылки, введите e-mail, на который вы получаете наши письма:

 

Поиск подшипников

Масса и размеры

Внутренний диаметр d, мм

От  до 

Наружный диаметр D, мм

От  до 

Ширина b, мм

Применяемость

Раздел каталога

Подшипник роликовый радиальный с витыми роликами

5210 К ТУ 37.006.087

Отечественный
Импортный

Производитель



уточнять наличие
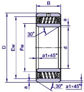
Обозначение 5210 К ТУ 37.006.087
Внутренний диаметр, d (мм) 50
Наружный диаметр, D (мм) 90
Ширина, В (мм) 44
Масса, m (кг) 1.2600
Марка стали, Материал ШХ-15
5210 К ТУ 37.006.087
Товар добавлен в корзину
Перейти в корзину ×