Подшипники гост
Интернет-магазин
8-800-250-16-58
Обратный звонок

Заказ обратного звонка




Эл. почта:
info@amost.ru
Свои заказы Корзина пуста





Получать прайс-лист на email:

Чтобы отписаться от рассылки, введите e-mail, на который вы получаете наши письма:

 

Поиск подшипников

Масса и размеры

Внутренний диаметр d, мм

От  до 

Наружный диаметр D, мм

От  до 

Ширина b, мм

Применяемость

Раздел каталога

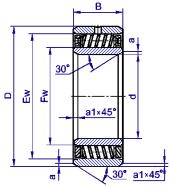
Подшипник роликовый радиальный с витыми роликами

5220 ОСТ 37.006.002

Отечественный
Импортный
Цена: 19 627.00 руб

Производитель



под заказ
Обозначение 5220 ОСТ 37.006.002
Внутренний диаметр, d (мм) 100
Наружный диаметр, D (мм) 180
Ширина, В (мм) 82
Масса, m (кг) 8.98
Марка стали, Материал ШХ-15
5220 ОСТ 37.006.002
Товар добавлен в корзину
Перейти в корзину ×