Подшипники гост
Интернет-магазин
8-800-250-16-58
Обратный звонок

Заказ обратного звонка




Эл. почта:
info@amost.ru
Свои заказы Корзина пуста





Получать прайс-лист на email:

Чтобы отписаться от рассылки, введите e-mail, на который вы получаете наши письма:

 

Поиск подшипников

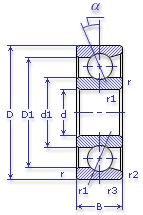
Масса и размеры

Внутренний диаметр d, мм

От  до 

Наружный диаметр D, мм

От  до 

Ширина b, мм

Применяемость

Раздел каталога

Подшипник шариковый радиально-упорный

1036808 Ю 1002-90

Отечественный
Импортный

Производитель



уточнять наличие
Обозначение 1036808 Ю 1002-90
Внутренний диаметр, d (мм) 40
Наружный диаметр, D (мм) 52
Ширина, В (мм) 7
Масса, m (кг) 0.031
Грузоподъемность динамическая, C (kN) 3.8
Грузоподъемность статическая, Co (kN) 2.8
Ном. частота вращен. при пластич. смазке, n grease (1/min) 8500
Марка стали, Материал 95Х18Ш
Диаметр шарика, d шарика (мм) 3.175
Количество шариков, N шариков 24
Ном. частота вращен. при жидк. смазке, n oil (1/min) 11000
1036808 Ю 1002-90
Товар добавлен в корзину
Перейти в корзину ×