Подшипники гост
Интернет-магазин
8-800-250-16-58
Обратный звонок

Заказ обратного звонка




Эл. почта:
info@amost.ru
Свои заказы Корзина пуста





Получать прайс-лист на email:

Чтобы отписаться от рассылки, введите e-mail, на который вы получаете наши письма:

 

Поиск подшипников

Масса и размеры

Внутренний диаметр d, мм

От  до 

Наружный диаметр D, мм

От  до 

Ширина b, мм

Применяемость

Раздел каталога

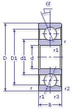
Подшипник шариковый радиально-упорный

1066248 Л ТУ 37.006.087

Отечественный
Импортный

Производитель



уточнять наличие
Обозначение 1066248 Л ТУ 37.006.087
Внутренний диаметр, d (мм) 240
Наружный диаметр, D (мм) 440
Ширина, В (мм) 85
Масса, m (кг) 59.0000
Грузоподъемность динамическая, C (kN) 440
Грузоподъемность статическая, Co (kN) 672
Ном. частота вращен. при пластич. смазке, n grease (1/min) 800
Марка стали, Материал ШХ-15
Диаметр шарика, d шарика (мм) 60.0
Количество шариков, N шариков 15
Ном. частота вращен. при жидк. смазке, n oil (1/min) 1000
1066248 Л ТУ 37.006.087
Товар добавлен в корзину
Перейти в корзину ×