Подшипники гост
Интернет-магазин
8-800-250-16-58
Обратный звонок

Заказ обратного звонка




Эл. почта:
info@amost.ru
Свои заказы Корзина пуста





Получать прайс-лист на email:

Чтобы отписаться от рассылки, введите e-mail, на который вы получаете наши письма:

 

Поиск подшипников

Масса и размеры

Внутренний диаметр d, мм

От  до 

Наружный диаметр D, мм

От  до 

Ширина b, мм

Применяемость

Раздел каталога

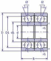
Подшипник шариковый радиально-упорный однорядный сдвоенный схема комплектования Х замок на наружном кольце

346219 ГОСТ 520-2002

Отечественный
Импортный

Производитель



уточнять наличие
Обозначение 346219 ГОСТ 520-2002
Внутренний диаметр, d (мм) 95
Наружный диаметр, D (мм) 170
Ширина, В (мм) 64
Масса, m (кг) 5.06
Грузоподъемность динамическая, C (kN) 218
Грузоподъемность статическая, Co (kN) 190
Ном. частота вращен. при пластич. смазке, n grease (1/min) 3200
Ном. частота вращен. при жидк. смазке, n oil (1/min) 4000
Диаметр борта наружного кольца, D1(mm) 146.8
Диаметр борта внутреннего кольца, d1 (mm) 118.2
Радиус фаски, r, r1 min (мм) 2.1
346219 ГОСТ 520-2002
Бренд Обозначение
ГПЗ 346219
SKF 7219 ACD/DF
FAG 7219EDU
NSK 7219ADF
Товар добавлен в корзину
Перейти в корзину ×