Подшипники гост
Интернет-магазин
8-800-250-16-58
Обратный звонок

Заказ обратного звонка




Эл. почта:
info@amost.ru
Свои заказы Корзина пуста





Получать прайс-лист на email:

Чтобы отписаться от рассылки, введите e-mail, на который вы получаете наши письма:

 

Поиск подшипников

Масса и размеры

Внутренний диаметр d, мм

От  до 

Наружный диаметр D, мм

От  до 

Ширина b, мм

Применяемость

Раздел каталога

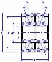
Подшипник шариковый радиально-упорный однорядный сдвоенный схема комплектования Х замок на наружном кольце

346220 ГОСТ 520-2002

Отечественный
Импортный

Производитель



уточнять наличие
Обозначение 346220 ГОСТ 520-2002
Внутренний диаметр, d (мм) 100
Наружный диаметр, D (мм) 180
Ширина, В (мм) 68
Масса, m (кг) 6.55
Грузоподъемность динамическая, C (kN) 240
Грузоподъемность статическая, Co (kN) 213
Ном. частота вращен. при пластич. смазке, n grease (1/min) 3200
Ном. частота вращен. при жидк. смазке, n oil (1/min) 4300
Диаметр борта наружного кольца, D1(mm) 158.5
Диаметр борта внутреннего кольца, d1 (mm) 123.1
Радиус фаски, r, r1 min (мм) 2.1
346220 ГОСТ 520-2002
Бренд Обозначение
ГПЗ 346220
SKF 7220 ACD/DF
FAG 7220EDU
NSK 7220ADF
Товар добавлен в корзину
Перейти в корзину ×