Подшипники гост
Интернет-магазин
8-800-250-16-58
Обратный звонок

Заказ обратного звонка




Эл. почта:
info@amost.ru
Свои заказы Корзина пуста





Получать прайс-лист на email:

Чтобы отписаться от рассылки, введите e-mail, на который вы получаете наши письма:

 

Поиск подшипников

Масса и размеры

Внутренний диаметр d, мм

От  до 

Наружный диаметр D, мм

От  до 

Ширина b, мм

Применяемость

Раздел каталога

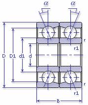
Подшипник шариковый радиально-упорный однорядный сдвоенный схема комплектования Х замок на наружном кольце

346310 Е1 ТУ 37.006.060

Отечественный
Импортный

Производитель



уточнять наличие
Обозначение 346310 Е1 ТУ 37.006.060
Внутренний диаметр, d (мм) 50
Наружный диаметр, D (мм) 110
Ширина, В (мм) 54
Масса, m (кг) 2.2
Грузоподъемность динамическая, C (kN) 117
Грузоподъемность статическая, Co (kN) 89
Ном. частота вращен. при пластич. смазке, n grease (1/min) 5000
Марка стали, Материал ШХ-15
Диаметр шарика, d шарика (мм) 19.05
Количество шариков, N шариков 22
Ном. частота вращен. при жидк. смазке, n oil (1/min) 6700
Диаметр борта наружного кольца, D1(mm) 92.2
Диаметр борта внутреннего кольца, d1 (mm) 68.7
Радиус фаски, r, r1 min (мм) 2
346310 Е1 ТУ 37.006.060
Бренд Обозначение
ГПЗ 346310
SKF 7310 ACD/DF
FAG 7310EDU
NSK 7310ADF
Товар добавлен в корзину
Перейти в корзину ×