Подшипники гост
Интернет-магазин
8-800-250-16-58
Обратный звонок

Заказ обратного звонка




Эл. почта:
info@amost.ru
Свои заказы Корзина пуста





Получать прайс-лист на email:

Чтобы отписаться от рассылки, введите e-mail, на который вы получаете наши письма:

 

Поиск подшипников

Масса и размеры

Внутренний диаметр d, мм

От  до 

Наружный диаметр D, мм

От  до 

Ширина b, мм

Применяемость

Раздел каталога

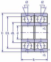
Подшипник шариковый радиально-упорный однорядный сдвоенный схема комплектования Х замок на наружном кольце

346318 ГОСТ 520-2002

Отечественный
Импортный

Производитель



уточнять наличие
Обозначение 346318 ГОСТ 520-2002
Внутренний диаметр, d (мм) 90
Наружный диаметр, D (мм) 190
Ширина, В (мм) 86
Масса, m (кг) 10
Грузоподъемность динамическая, C (kN) 264
Грузоподъемность статическая, Co (kN) 240
Ном. частота вращен. при пластич. смазке, n grease (1/min) 2600
Ном. частота вращен. при жидк. смазке, n oil (1/min) 3200
Диаметр борта наружного кольца, D1(mm) 159
Диаметр борта внутреннего кольца, d1 (mm) 108.3
Радиус фаски, r, r1 min (мм) 3
346318 ГОСТ 520-2002
Бренд Обозначение
ГПЗ 346318
SKF 7318 ACD/DF
FAG 7318EDU
NSK 7318ADF
Товар добавлен в корзину
Перейти в корзину ×