Подшипники гост
Интернет-магазин
8-800-250-16-58
Обратный звонок

Заказ обратного звонка




Эл. почта:
info@amost.ru
Свои заказы Корзина пуста





Получать прайс-лист на email:

Чтобы отписаться от рассылки, введите e-mail, на который вы получаете наши письма:

 

Поиск подшипников

Масса и размеры

Внутренний диаметр d, мм

От  до 

Наружный диаметр D, мм

От  до 

Ширина b, мм

Применяемость

Раздел каталога

Подшипник шариковый радиально-упорный однорядный основного конструктивного исполнения

46224 Л ТУ 37.006.154

Отечественный
Импортный

Производитель



уточнять наличие
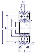
Обозначение 46224 Л ТУ 37.006.154
Внутренний диаметр, d (мм) 120
Наружный диаметр, D (мм) 215
Ширина, В (мм) 40
Масса, m (кг) 6.45
Грузоподъемность динамическая, C (kN) 188
Грузоподъемность статическая, Co (kN) 150
Ном. частота вращен. при пластич. смазке, n grease (1/min) 2600
Марка стали, Материал ШХ-15
Диаметр шарика, d шарика (мм) 30.162
Количество шариков, N шариков 15
Ном. частота вращен. при жидк. смазке, n oil (1/min) 3600
Диаметр борта наружного кольца, D1(mm) 185.5
Диаметр борта внутреннего кольца, d1 (mm) 149.5
Радиус фаски, r2, r3 min (мм) 1.1
Радиус фаски, r, r1 min (мм) 2.1
46224 Л ТУ 37.006.154
Бренд Обозначение
ГПЗ 46224
SKF 7224ACD
FAG 7224E
NSK 7224A
Товар добавлен в корзину
Перейти в корзину ×