Подшипники гост
Интернет-магазин
8-800-250-16-58
Обратный звонок

Заказ обратного звонка




Эл. почта:
info@amost.ru
Свои заказы Корзина пуста





Получать прайс-лист на email:

Чтобы отписаться от рассылки, введите e-mail, на который вы получаете наши письма:

 

Поиск подшипников

Масса и размеры

Внутренний диаметр d, мм

От  до 

Наружный диаметр D, мм

От  до 

Ширина b, мм

Применяемость

Раздел каталога

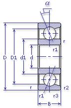
Подшипник шариковый радиально-упорный однорядный основного конструктивного исполнения

46309 А1Е3Ш ГОСТ 520

Отечественный
Импортный

Производитель



уточнять наличие
Обозначение 46309 А1Е3Ш ГОСТ 520
Внутренний диаметр, d (мм) 45
Наружный диаметр, D (мм) 100
Ширина, В (мм) 25
Масса, m (кг) 0.868
Грузоподъемность динамическая, C (kN) 61.4
Грузоподъемность статическая, Co (kN) 41
Ном. частота вращен. при пластич. смазке, n grease (1/min) 6300
Марка стали, Материал ШХ-15
Диаметр шарика, d шарика (мм) 17.462
Количество шариков, N шариков 11
Ном. частота вращен. при жидк. смазке, n oil (1/min) 8500
46309 А1Е3Ш ГОСТ 520
Бренд Обозначение
ГПЗ 46309
SKF 7309ACD
FAG 7309E
NSK 7309A
Товар добавлен в корзину
Перейти в корзину ×