46310 Л ТУ 37.006.087
| Обозначение | 46310 Л ТУ 37.006.087 |
|---|---|
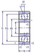
| Внутренний диаметр, d (мм) | 50 |
| Наружный диаметр, D (мм) | 110 |
| Ширина, В (мм) | 27 |
| Масса, m (кг) | 1.32 |
| Грузоподъемность динамическая, C (kN) | 71.8 |
| Грузоподъемность статическая, Co (kN) | 44 |
| Ном. частота вращен. при пластич. смазке, n grease (1/min) | 5000 |
| Марка стали, Материал | ШХ-15 |
| Диаметр шарика, d шарика (мм) | 19.05 |
| Количество шариков, N шариков | 11 |
| Ном. частота вращен. при жидк. смазке, n oil (1/min) | 6700 |
| Диаметр борта наружного кольца, D1(mm) | 91.4 |
| Диаметр борта внутреннего кольца, d1 (mm) | 68.7 |
| Радиус фаски, r2, r3 min (мм) | 1 |
| Радиус фаски, r, r1 min (мм) | 2 |
Этот подшипник может быть заменен другими:
Подшипник 246310 — У3, "У4" и т.д. - комплект из двух и более упорных подшипников
Подшипник 346310 — У3, "У4" и т.д. - комплект из двух и более упорных подшипников
| Марка | Модель | Узел | Кол-во на узел |
|---|---|---|---|
| УРАЛ | 375Д | Лебедка | 1 |
| УРАЛ | 375ДМ | Лебедка | 1 |
| УРАЛ | 4320 | Лебедка | 1 |
| УРАЛ | 5920 | Лебедка | 1 |