Подшипники гост
Интернет-магазин
8-800-250-16-58
Обратный звонок

Заказ обратного звонка




Эл. почта:
info@amost.ru
Свои заказы Корзина пуста





Получать прайс-лист на email:

Чтобы отписаться от рассылки, введите e-mail, на который вы получаете наши письма:

 

Поиск подшипников

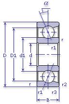
Масса и размеры

Внутренний диаметр d, мм

От  до 

Наружный диаметр D, мм

От  до 

Ширина b, мм

Применяемость

Раздел каталога

Подшипник шариковый радиально-упорный однорядный основного конструктивного исполнения

46313 Л ТУ 37.006.154

Отечественный
Импортный

Производитель



уточнять наличие
Обозначение 46313 Л ТУ 37.006.154
Внутренний диаметр, d (мм) 65
Наружный диаметр, D (мм) 140
Ширина, В (мм) 33
Масса, m (кг) 2.65
Грузоподъемность динамическая, C (kN) 113
Грузоподъемность статическая, Co (kN) 83.1
Ном. частота вращен. при пластич. смазке, n grease (1/min) 4300
Марка стали, Материал ШХ-15
Диаметр шарика, d шарика (мм) 23.812
Количество шариков, N шариков 12
Ном. частота вращен. при жидк. смазке, n oil (1/min) 5800
46313 Л ТУ 37.006.154

Этот подшипник может быть заменен другими:

Подшипник 346313 — У3, "У4" и т.д. - комплект из двух и более упорных подшипников

Подшипник 446313 — У3, "У4" и т.д. - комплект из двух и более упорных подшипников

Бренд Обозначение
ГПЗ 46313
SKF 7313ACD
FAG 7313E
NSK 7313A
Товар добавлен в корзину
Перейти в корзину ×