Подшипники гост
Интернет-магазин
8-800-250-16-58
Обратный звонок

Заказ обратного звонка




Эл. почта:
info@amost.ru
Свои заказы Корзина пуста





Получать прайс-лист на email:

Чтобы отписаться от рассылки, введите e-mail, на который вы получаете наши письма:

 

Поиск подшипников

Масса и размеры

Внутренний диаметр d, мм

От  до 

Наружный диаметр D, мм

От  до 

Ширина b, мм

Применяемость

Раздел каталога

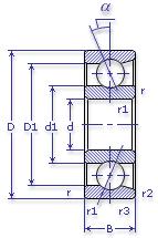
Подшипник шариковый радиально-упорный однорядный основного конструктивного исполнения

46320 Л ТУ 37.006.154

Отечественный
Импортный

Производитель



уточнять наличие
Обозначение 46320 Л ТУ 37.006.154
Внутренний диаметр, d (мм) 100
Наружный диаметр, D (мм) 215
Ширина, В (мм) 47
Масса, m (кг) 8.21
Грузоподъемность динамическая, C (kN) 212.2
Грузоподъемность статическая, Co (kN) 197
Ном. частота вращен. при пластич. смазке, n grease (1/min) 2800
Марка стали, Материал ШХ-15
Диаметр шарика, d шарика (мм) 36.512
Количество шариков, N шариков 12
Ном. частота вращен. при жидк. смазке, n oil (1/min) 3800
46320 Л ТУ 37.006.154

Этот подшипник может быть заменен другими:

Подшипник 346320 — У3, "У4" и т.д. - комплект из двух и более упорных подшипников

Марка Модель Узел Кол-во на узел
БелАЗ 7523(40т) Мост задний 1
Бренд Обозначение
ГПЗ 46320
SKF 7320ACD
FAG 7320E
NSK 7320A
Товар добавлен в корзину
Перейти в корзину ×