Подшипники гост
Интернет-магазин
8-800-250-16-58
Обратный звонок

Заказ обратного звонка




Эл. почта:
info@amost.ru
Свои заказы Корзина пуста





Получать прайс-лист на email:

Чтобы отписаться от рассылки, введите e-mail, на который вы получаете наши письма:

 

Поиск подшипников

Масса и размеры

Внутренний диаметр d, мм

От  до 

Наружный диаметр D, мм

От  до 

Ширина b, мм

Применяемость

Раздел каталога

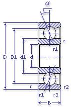
Подшипник шариковый радиально-упорный однорядный основного конструктивного исполнения

66330 Л ГОСТ 520

Отечественный
Импортный

Производитель



уточнять наличие
Обозначение 66330 Л ГОСТ 520
Внутренний диаметр, d (мм) 150
Наружный диаметр, D (мм) 320
Ширина, В (мм) 65
Масса, m (кг) 27
Грузоподъемность динамическая, C (kN) 313
Грузоподъемность статическая, Co (kN) 355.9
Ном. частота вращен. при пластич. смазке, n grease (1/min) 1600
Марка стали, Материал ШХ-15
Диаметр шарика, d шарика (мм) 50.8
Количество шариков, N шариков 13
Ном. частота вращен. при жидк. смазке, n oil (1/min) 2200
66330 Л ГОСТ 520

Этот подшипник может быть заменен другими:

Подшипник 466330 — У3, "У4" и т.д. - комплект из двух и более упорных подшипников

Марка Модель Узел Кол-во на узел
Станкостроение Не указано Не указано -
Бренд Обозначение
ГПЗ 66330
SKF 7330B
FAG 7330B
NSK 7330B
Товар добавлен в корзину
Перейти в корзину ×