Подшипники гост
Интернет-магазин
8-800-250-16-58
Обратный звонок

Заказ обратного звонка




Эл. почта:
info@amost.ru
Свои заказы Корзина пуста





Получать прайс-лист на email:

Чтобы отписаться от рассылки, введите e-mail, на который вы получаете наши письма:

 

Поиск подшипников

Масса и размеры

Внутренний диаметр d, мм

От  до 

Наружный диаметр D, мм

От  до 

Ширина b, мм

Применяемость

Раздел каталога

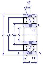
Подшипник шариковый радиально-упорный однорядный основного конструктивного исполнения

66432 Л1 ГОСТ 520

Отечественный
Импортный

Производитель



уточнять наличие
Обозначение 66432 Л1 ГОСТ 520
Внутренний диаметр, d (мм) 160
Наружный диаметр, D (мм) 400
Ширина, В (мм) 88
Масса, m (кг) 60.4
Грузоподъемность динамическая, C (kN) 383.5
Грузоподъемность статическая, Co (kN) 453.3
Ном. частота вращен. при пластич. смазке, n grease (1/min) 1300
Марка стали, Материал ШХ-15
Диаметр шарика, d шарика (мм) 60.0
Количество шариков, N шариков 12
Ном. частота вращен. при жидк. смазке, n oil (1/min) 1900
66432 Л1 ГОСТ 520

Этот подшипник может быть заменен другими:

Подшипник 366432 — У3, "У4" и т.д. - комплект из двух и более упорных подшипников

Подшипник 466432 — У3, "У4" и т.д. - комплект из двух и более упорных подшипников

Бренд Обозначение
ГПЗ 66432
SKF 7432B
FAG 7432B
NSK 7432B
Товар добавлен в корзину
Перейти в корзину ×