Подшипники гост
Интернет-магазин
8-800-250-16-58
Обратный звонок

Заказ обратного звонка




Эл. почта:
info@amost.ru
Свои заказы Корзина пуста





Получать прайс-лист на email:

Чтобы отписаться от рассылки, введите e-mail, на который вы получаете наши письма:

 

Поиск подшипников

Масса и размеры

Внутренний диаметр d, мм

От  до 

Наружный диаметр D, мм

От  до 

Ширина b, мм

Применяемость

Раздел каталога

Подшипник шариковый радиальный однорядный основного конструктивного исполнения

322 ГОСТ 520

Отечественный
Импортный
Цена: 2 666.00 руб

Производитель



под заказ
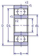
Обозначение 322 ГОСТ 520
Внутренний диаметр, d (мм) 110
Наружный диаметр, D (мм) 240
Ширина, В (мм) 50
Масса, m (кг) 9.8
Грузоподъемность динамическая, C (kN) 203
Грузоподъемность статическая, Co (kN) 166
Ном. частота вращен. при пластич. смазке, n grease (1/min) 2600
Марка стали, Материал ШХ-15
Диаметр шарика, d шарика (мм) 41.275
Количество шариков, N шариков 8
Ном. частота вращен. при жидк. смазке, n oil (1/min) 3200
322 ГОСТ 520

Этот подшипник может быть заменен другими:

Подшипник 80322 — При условии демонтажа 2-х защитных шайб

Бренд Обозначение
ГПЗ 322
SKF 6322
FAG 6322
NSK 6322
Товар добавлен в корзину
Перейти в корзину ×