Подшипники гост
Интернет-магазин
8-800-250-16-58
Обратный звонок

Заказ обратного звонка




Эл. почта:
info@amost.ru
Свои заказы Корзина пуста





Получать прайс-лист на email:

Чтобы отписаться от рассылки, введите e-mail, на который вы получаете наши письма:

 

Поиск подшипников

Масса и размеры

Внутренний диаметр d, мм

От  до 

Наружный диаметр D, мм

От  до 

Ширина b, мм

Применяемость

Раздел каталога

Подшипник шариковый радиальный однорядный основного конструктивного исполнения

1000901 ГОСТ 520

Отечественный
Импортный
Цена: 21.00 руб

Производитель



под заказ
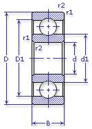
Обозначение 1000901 ГОСТ 520
Внутренний диаметр, d (мм) 12
Наружный диаметр, D (мм) 24
Ширина, В (мм) 6
Масса, m (кг) 0.0097
Грузоподъемность динамическая, C (kN) 3.39
Грузоподъемность статическая, Co (kN) 1.35
Ном. частота вращен. при пластич. смазке, n grease (1/min) 28000
Диаметр шарика, d шарика (мм) 3.969
Количество шариков, N шариков 7
Ном. частота вращен. при жидк. смазке, n oil (1/min) 34000
1000901 ГОСТ 520
Бренд Обозначение
ГПЗ 1000901
SKF 61901
FAG 61901
NSK 6901
Товар добавлен в корзину
Перейти в корзину ×