Подшипники гост
Интернет-магазин
8-800-250-16-58
Обратный звонок

Заказ обратного звонка




Эл. почта:
info@amost.ru
Свои заказы Корзина пуста





Получать прайс-лист на email:

Чтобы отписаться от рассылки, введите e-mail, на который вы получаете наши письма:

 

Поиск подшипников

Масса и размеры

Внутренний диаметр d, мм

От  до 

Наружный диаметр D, мм

От  до 

Ширина b, мм

Применяемость

Раздел каталога

Подшипник шариковый радиальный однорядный основного конструктивного исполнения

1000906 ГОСТ 520

Отечественный
Импортный
Цена: 39.00 руб

Производитель



под заказ
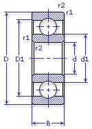
Обозначение 1000906 ГОСТ 520
Внутренний диаметр, d (мм) 30
Наружный диаметр, D (мм) 47
Ширина, В (мм) 9
Масса, m (кг) 0.0600
Грузоподъемность динамическая, C (kN) 7.59
Грузоподъемность статическая, Co (kN) 4
Ном. частота вращен. при пластич. смазке, n grease (1/min) 13000
Диаметр шарика, d шарика (мм) 5.0
Количество шариков, N шариков 13
Ном. частота вращен. при жидк. смазке, n oil (1/min) 16000
1000906 ГОСТ 520
Марка Модель Узел Кол-во на узел
ЗИЛ 131М Двигатель 1
ЗИЛ 131МВ Двигатель 1
ЗИЛ 4331 Двигатель 1
ЗИЛ 433100 Двигатель: центрифуга 1
Бренд Обозначение
ГПЗ 1000906
SKF 61906
FAG 61906
NSK 6906
Товар добавлен в корзину
Перейти в корзину ×