Подшипники гост
Интернет-магазин
8-800-250-16-58
Обратный звонок

Заказ обратного звонка




Эл. почта:
info@amost.ru
Свои заказы Корзина пуста





Получать прайс-лист на email:

Чтобы отписаться от рассылки, введите e-mail, на который вы получаете наши письма:

 

Поиск подшипников

Масса и размеры

Внутренний диаметр d, мм

От  до 

Наружный диаметр D, мм

От  до 

Ширина b, мм

Применяемость

Раздел каталога

Подшипник шариковый радиальный однорядный

7000102 К ГОСТ 520

Отечественный
Импортный
Цена: 14.00 руб

Производитель



под заказ
Обозначение 7000102 К ГОСТ 520
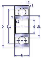
Внутренний диаметр, d (мм) 15
Наружный диаметр, D (мм) 32
Ширина, В (мм) 8
Масса, m (кг) 0.0328
Грузоподъемность динамическая, C (kN) 5.6
Грузоподъемность статическая, Co (kN) 2.5
Ном. частота вращен. при пластич. смазке, n grease (1/min) 22000
Диаметр шарика, d шарика (мм) 4.763
Количество шариков, N шариков 8
Ном. частота вращен. при жидк. смазке, n oil (1/min) 28000
7000102 К ГОСТ 520
Марка Модель Узел Кол-во на узел
ЗАЗ 1102 Таврия Управление рулевое 2
ЗАЗ 110206 Управление рулевое: шестерня -
ЗАЗ 1103 Управление рулевое: шестерня -
ЗАЗ 1105 Управление рулевое: шестерня -
Трамвайный вагон Т-2 Шарниры плечей и головки 6
Трамвайный вагон Т-3 Шарниры плечей и головки 6
Бренд Обозначение
ГПЗ 7000102
SKF 16002
FAG 16002
NSK 16002
Товар добавлен в корзину
Перейти в корзину ×