Подшипники гост
Интернет-магазин
8-800-250-16-58
Обратный звонок

Заказ обратного звонка




Эл. почта:
info@amost.ru
Свои заказы Корзина пуста





Получать прайс-лист на email:

Чтобы отписаться от рассылки, введите e-mail, на который вы получаете наши письма:

 

Поиск подшипников

Масса и размеры

Внутренний диаметр d, мм

От  до 

Наружный диаметр D, мм

От  до 

Ширина b, мм

Применяемость

Раздел каталога

Подшипник шариковый радиальный однорядный основного конструктивного исполнения

305 А ГОСТ 520

Отечественный
Импортный
Цена: 45.00 руб

Производитель



в наличии
Обозначение 305 А ГОСТ 520
Цена импортная 40
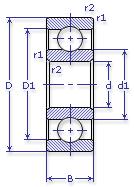
Внутренний диаметр, d (мм) 25
Наружный диаметр, D (мм) 62
Ширина, В (мм) 17
Масса, m (кг) 0.23
Грузоподъемность динамическая, C (kN) 22.5
Грузоподъемность статическая, Co (kN) 11.4
Ном. частота вращен. при пластич. смазке, n grease (1/min) 11000
Диаметр шарика, d шарика (мм) 11.509
Количество шариков, N шариков 7
Ном. частота вращен. при жидк. смазке, n oil (1/min) 14000
Диаметр борта наружного кольца, D1(mm) 50.4
Диаметр борта внутреннего кольца, d1 (mm) 36.6
Радиус фаски, r1, r2 min (мм) 1.1
305 А ГОСТ 520

Этот подшипник может быть заменен другими:

Подшипник 50305 — Условие отсутствует

Подшипник 60305 — При условии демонтажа одной защитной шайбы

Подшипник 160305 — При условии демонтажа одной защитной шайбы

Подшипник 150305 — При условии демонтажа одной защитной шайбы (п/ш с канавкой)

Подшипник 80305 — При условии демонтажа 2-х защитных шайб

Подшипник 180305 — При условии демонтажа 2-х защитных шайб

Подшипник 450305 — При условии демонтажа 2-х защитных шайб

Подшипник 750305 — При условии демонтажа 2-х защитных шайб

Марка Модель Узел Кол-во на узел
Автопогрузчик 4022 Сцепление 1
БелАЗ 540А(27т) Генератор 1
БелАЗ 540А(27т) Генератор: привод 1
БелАЗ 540А(27т) Насос топливный: шестерня 1
БелАЗ 540А(27т) Насос водяной 1
БелАЗ 548(40т) Генератор 1
БелАЗ 548(40т) Генератор: привод 1
БелАЗ 548(40т) Насос топливный: шестерня 1
БелАЗ 548(40т) Насос водяной 1
БелАЗ 549(75т) Генератор 1
БелАЗ 7420-9590 Генератор 1
БелАЗ 7509 Генератор 1
БелАЗ 75091(75т) Генератор 1
БелАЗ 7519 Генератор 1
БелАЗ 75191(110т) Генератор 1
БелАЗ 75211(180т) Генератор 1
БелАЗ 75211(180т) Генератор-дизель 1
БелАЗ 7522(30т) Генератор 1
БелАЗ 7522(30т) Генератор: привод 1
БелАЗ 7522(30т) Насос топливный: шестерня 1
БелАЗ 7522(30т) Насос водяной 1
БелАЗ 7523(40т) Генератор 1
БелАЗ 7523(40т) Генератор: привод 1
БелАЗ 7523(40т) Насос топливный: шестерня 1
БелАЗ 7523(40т) Насос водяной 1
БелАЗ 7548(42т) Генератор 1
БелАЗ 7548(42т) Генератор: привод 1
БелАЗ 7548(42т) Двигатель: система питания 1
БелАЗ 7548(42т) Муфта опережения впрыска 1
Подшипники ГАЗ 2121 Niva Мост задний: вал привода 1
Подшипники ГАЗ 2121 Niva Мост передний: вал привода 1
ЕрАЗ 3730 Коробка передач 1
ЕрАЗ 37301 Коробка передач 1
ЕрАЗ 37302 Коробка передач 1
ЕрАЗ 37304 Коробка передач 1
ЕрАЗ 37305 Коробка передач 1
Загрузчик автомобильный универсальный ЗАУ-3 Коробка отбора мощности -
Загрузчик автомобильный универсальный УЗСА-40 Коробка отбора мощности -
ЗАЗ 1102 Таврия Коробка передач: вал вторичный 1
ЗАЗ 110206 Коробка передач: шестерня ведущая главной передачи, опора задняя -
ЗАЗ 1103 Коробка передач: шестерня ведущая главной передачи, опора задняя -
ЗАЗ 1105 Коробка передач: шестерня ведущая главной передачи, опора задняя -
ЗАЗ 966 Передача главная 2
ЗАЗ 968А Передача главная 2
ЗАЗ 968Б Передача главная 2
ЗАЗ 968М Передача главная и дифференциал 2
ЗИЛ 133ВЯ Двигатель 1
ЗИЛ 133ВЯ Двигатель: система охлаждения 1
ЗИЛ 133Г1 Двигатель 1
ЗИЛ 133Г1 Управление рулевое 1
ЗИЛ 133ГЯ Двигатель 1
ЗИЛ 133ГЯ Двигатель: система охлаждения 1
ЗИУ 9 Генератор Г-263А 1
ЗИУ 9В(682В) Генератор 1
КАЗ 4540 Двигатель 4
КАЗ 4540 Двигатель 4
КАЗ 4540 Двигатель: система охлаждения 1
КАЗ 4540 Двигатель: система охлаждения 1
КАЗ 4540 Двигатель: система питания 2
КАЗ 4540 Двигатель: система питания 2
КамАЗ 4310 Двигатель 1
КамАЗ 4310 Двигатель 1
КамАЗ 4310 Двигатель: система охлаждения 1
КамАЗ 4310 Двигатель: система охлаждения 1
КамАЗ 4310 Управление рулевое 1
КамАЗ 4310 Управление рулевое 1
КамАЗ 43105 Двигатель 1
КамАЗ 43105 Двигатель 1
КамАЗ 43105 Двигатель: система охлаждения 1
КамАЗ 43105 Двигатель: система охлаждения 1
КамАЗ 43105 Управление рулевое 1
КамАЗ 43105 Управление рулевое 1
КамАЗ 5320 Двигатель 1
КамАЗ 5320 Двигатель: система охлаждения 1
КамАЗ 5320 Управление рулевое 1
КамАЗ 5320 Двигатель: вал ведомый гидромуфты вентилятора, опора передняя 1
КамАЗ 5320 Двигатель: вал колеса зубчатого привода насоса топливного, опора задняя 1
КамАЗ 5320 Управление рулевое: валик насоса гидроусилителя, опора задняя 1
КамАЗ 53211 Двигатель: вал ведомый гидромуфты вентилятора, опора передняя 1
КамАЗ 53211 Двигатель: вал колеса зубчатого привода насоса топливного, опора задняя 1
КамАЗ 53211 Управление рулевое: валик насоса гидроусилителя, опора задняя 1
КамАЗ 53212 Двигатель 1
КамАЗ 53212 Двигатель: система охлаждения 1
КамАЗ 53212 Коробка отбора мощности 2
КамАЗ 53212 Управление рулевое 1
КамАЗ 53212 Двигатель: вал ведомый гидромуфты вентилятора, опора передняя 1
КамАЗ 53212 Двигатель: вал колеса зубчатого привода насоса топливного, опора задняя 1
КамАЗ 53212 Управление рулевое: валик насоса гидроусилителя, опора задняя 1
КамАЗ 53213 Двигатель 1
КамАЗ 53213 Двигатель: система охлаждения 1
КамАЗ 53213 Коробка отбора мощности 2
КамАЗ 53213 Управление рулевое 1
КамАЗ 53213 Двигатель: вал ведомый гидромуфты вентилятора, опора передняя 1
КамАЗ 53213 Двигатель: вал колеса зубчатого привода насоса топливного, опора задняя 1
КамАЗ 53213 Управление рулевое: валик насоса гидроусилителя, опора задняя 1
КамАЗ 53222 Двигатель 1
КамАЗ 53222 Двигатель: система охлаждения 1
КамАЗ 53222 Коробка отбора мощности 2
КамАЗ 53222 Управление рулевое 1
КамАЗ 5325 Двигатель 1
КамАЗ 5325 Двигатель: система охлаждения 1
КамАЗ 5325 Управление рулевое 1
КамАЗ 5410 Двигатель 1
КамАЗ 5410 Двигатель: система охлаждения 1
КамАЗ 5410 Управление рулевое 1
КамАЗ 5410 Двигатель: вал ведомый гидромуфты вентилятора, опора передняя 1
КамАЗ 5410 Двигатель: вал колеса зубчатого привода насоса топливного, опора задняя 1
КамАЗ 5410 Управление рулевое: валик насоса гидроусилителя, опора задняя 1
КамАЗ 54112 Двигатель 1
КамАЗ 54112 Двигатель: система охлаждения 1
КамАЗ 54112 Коробка отбора мощности 2
КамАЗ 54112 Управление рулевое 1
КамАЗ 54112 Двигатель: вал ведомый гидромуфты вентилятора, опора передняя 1
КамАЗ 54112 Двигатель: вал колеса зубчатого привода насоса топливного, опора задняя 1
КамАЗ 54112 Управление рулевое: валик насоса гидроусилителя, опора задняя 1
КамАЗ 54122 Двигатель 1
КамАЗ 54122 Двигатель: система охлаждения 1
КамАЗ 54122 Коробка отбора мощности 2
КамАЗ 54122 Управление рулевое 1
КамАЗ 5425 Двигатель 1
КамАЗ 5425 Двигатель: система охлаждения 1
КамАЗ 5425 Управление рулевое 1
КамАЗ 55102 Двигатель 1
КамАЗ 55102 Двигатель: система охлаждения 1
КамАЗ 55102 Управление рулевое 1
КамАЗ 55102 Двигатель: вал ведомый гидромуфты вентилятора, опора передняя 1
КамАЗ 55102 Двигатель: вал колеса зубчатого привода насоса топливного, опора задняя 1
КамАЗ 55102 Управление рулевое: валик насоса гидроусилителя, опора задняя 1
КамАЗ 5511 Двигатель 1
КамАЗ 5511 Двигатель: система охлаждения 1
КамАЗ 5511 Коробка отбора мощности 2
КамАЗ 5511 Управление рулевое 1
КамАЗ 55111 Двигатель: вал ведомый гидромуфты вентилятора, опора передняя 1
КамАЗ 55111 Двигатель: вал колеса зубчатого привода насоса топливного, опора задняя 1
КамАЗ 55111 Управление рулевое: валик насоса гидроусилителя, опора задняя 1
КамАЗ 6410 Двигатель 1
КамАЗ 6410 Двигатель: система охлаждения 1
КамАЗ 6410 Управление рулевое 1
КЗКТ Э538ДК Двигатель 3
КЗКТ Э538ДП Двигатель 3
КрАЗ 250 Двигатель 1
КрАЗ 250 Двигатель 1
КрАЗ 255 Двигатель 1
КрАЗ 255 Двигатель 1
КрАЗ 255 Двигатель: система охлаждения 1
КрАЗ 255 Двигатель: система охлаждения 1
КрАЗ 255Б1 Двигатель 1
КрАЗ 255Б1 Двигатель 1
КрАЗ 255Б1 Двигатель: система охлаждения 1
КрАЗ 255Б1 Двигатель: система охлаждения 1
КрАЗ 255Б1А Двигатель 1
КрАЗ 255Б1А Двигатель 1
КрАЗ 255Б1А Двигатель: система охлаждения 1
КрАЗ 255Б1А Двигатель: система охлаждения 1
КрАЗ 255В1 Двигатель 1
КрАЗ 255В1 Двигатель 1
КрАЗ 255В1 Двигатель: система охлаждения 1
КрАЗ 255В1 Двигатель: система охлаждения 1
КрАЗ 255Л1 Двигатель 1
КрАЗ 255Л1 Двигатель 1
КрАЗ 255Л1 Двигатель: система охлаждения 1
КрАЗ 255Л1 Двигатель: система охлаждения 1
КрАЗ 256Б1 Двигатель 1
КрАЗ 256Б1 Двигатель 1
КрАЗ 256Б1 Двигатель: система охлаждения 1
КрАЗ 257Б1 Двигатель 1
КрАЗ 257Б1 Двигатель -
КрАЗ 257Б1 Двигатель: система охлаждения 1
КрАЗ 257Б1А Двигатель 1
КрАЗ 257Б1А Двигатель -
КрАЗ 257Б1А Двигатель: система охлаждения 1
КрАЗ 258Б1 Двигатель 1
КрАЗ 258Б1 Двигатель -
КрАЗ 258Б1 Двигатель: система охлаждения 1
КрАЗ 260 Двигатель 1
КрАЗ 260 Двигатель 1
КрАЗ 260А Двигатель 1
КрАЗ 260А Двигатель 1
КрАЗ 260В Двигатель 1
КрАЗ 260В Двигатель 1
КрАЗ 260Г Двигатель 1
КрАЗ 260Г Двигатель 1
КрАЗ 260Д Двигатель 1
КрАЗ 260Д Двигатель 1
КрАЗ 260С Двигатель 1
КрАЗ 260С Двигатель 1
ЛиАЗ 5256 Двигатель 1
ЛиАЗ 5256 Двигатель 1
ЛиАЗ 5256 Двигатель: система питания 1
ЛиАЗ 5256 Двигатель: система питания 1
ЛиАЗ 5256 Управление рулевое 1
ЛиАЗ 5256 Управление рулевое 1
ЛуАЗ 1302 Передача главная: редуктор колесный -
ЛуАЗ 969 Передача главная 1
ЛуАЗ 969 Редуктор колесный 4
ЛуАЗ 969М Передача главная 1
ЛуАЗ 969М Редуктор колесный 4
ЛуАЗ 969М Передача главная: редуктор колесный 5
МАЗ 504В Двигатель 1
МАЗ 509А Двигатель 1
МАЗ 5322 Двигатель 1
МАЗ 5334 Двигатель 1
МАЗ 5335 Двигатель 1
МАЗ 5336 Двигатель 1
МАЗ 5338 Двигатель 1
МАЗ 537 Двигатель 3
МАЗ 537Г Двигатель 3
МАЗ 538 Двигатель 3
МАЗ 5429 Двигатель 1
МАЗ 543 Двигатель 5
МАЗ 5430 Двигатель 1
МАЗ 54321 Двигатель 1
МАЗ 54325 Двигатель -
МАЗ 5433 Двигатель 1
МАЗ 5434 Двигатель 1
МАЗ 5437 Двигатель -
МАЗ 547 Двигатель 5
МАЗ 5549 Двигатель 1
МАЗ 5551 Двигатель 1
МАЗ 55512 Двигатель 1
МАЗ 55515 Двигатель -
МАЗ 5552 Двигатель -
МАЗ 5558 Двигатель 1
МАЗ 5561 Двигатель -
МАЗ 6303 Двигатель 1
МАЗ 6422 Двигатель 1
МАЗ 64221 Двигатель 1
МАЗ 64224 Двигатель 1
МАЗ 64227 Двигатель 1
МАЗ 64229 Двигатель 1
МАЗ 64233 Двигатель -
МАЗ 642554 Двигатель 1
МАЗ 7310 Двигатель 5
МАЗ 73101 Двигатель 5
МАЗ 7410 Двигатель 5
МАЗ 7410 Коробка раздаточная 2
МоАЗ 546П-Д357П Двигатель 1
МоАЗ 6401-9585 Двигатель 1
МоАЗ 6507 Двигатель 1
МоАЗ 7405-9586 Двигатель 1
Москвич 2136 Коробка передач: вал вторичный, опора средняя 1
Москвич 2138 Коробка передач: вал вторичный 1
Москвич 2138 Коробка передач: вал вторичный, опора средняя 1
Москвич 2733 Коробка передач: вал вторичный, опора средняя 1
Мототехника Ява-250 Двигатель: картер, половина левая -
Мототехника Ява-250 Двигатель: картер, половина правая -
Мототехника Ява-350 Двигатель: картер, половина левая -
Мототехника Ява-350 Двигатель: картер, половина правая -
Свеклопогрузчик навесной тракторный СНТ-2.1А Транспортер поперечный: вал промежуточный -
Свеклопогрузчик навесной тракторный СНТ-2.1А Элеватор: вал верхний -
Станкостроение Не указано Не указано -
Станкостроение Не указано Не указано -
Трактор ДТ-20 Вал скорости дополнительной 1
Трактор ДТ-20 Насос топливный: регулятор 1
Трактор ДТ-75 Двигатель: насос водяной 2
Трактор ДТ-75 Двигатель: регулятор двигателя пускового 2
Трактор ДТ-75МВ Двигатель: насос водяной 2
Трактор К-701 Двигатель: насос водяной 1
Трактор К-701 Двигатель: вал привода насоса топливного 1
Трактор МТЗ-100 Гидроходоуменьшитель: опора вала насоса НШ 10-Л-3 -
Трактор МТЗ-100 Гидроходоуменьшитель: опора передняя вала водила -
Трактор МТЗ-100 Корпус МС: опора передняя вала шестерен привода насосов НМШ-25 и ГСОМ -
Трактор МТЗ-102 Гидроходоуменьшитель: опора вала насоса НШ 10-Л-3 -
Трактор МТЗ-102 Гидроходоуменьшитель: опора передняя вала водила -
Трактор МТЗ-102 Корпус МС: опора передняя вала шестерен привода насосов НМШ-25 и ГСОМ -
Трактор МТЗ-50Л Двигатель пусковой ПД-10У: редуктор 1
Трактор МТЗ-52 Коробка раздаточная 1
Трактор МТЗ-52Л Коробка раздаточная 1
Трактор МТЗ-52Л Двигатель пусковой ПД-10У: редуктор 1
Трактор МТЗ-80 Муфта сцепления: привод насоса НШ 32-3 2
Трактор МТЗ-80Л Двигатель пусковой: редуктор 1
Трактор МТЗ-80Л Муфта сцепления: привод насоса НШ 32-3 2
Трактор МТЗ-82 Коробка раздаточная 1
Трактор МТЗ-82 Муфта сцепления: привод насоса НШ 32-3 2
Трактор МТЗ-82Л Коробка раздаточная 1
Трактор МТЗ-82Л Двигатель пусковой: редуктор 1
Трактор МТЗ-82Л Муфта сцепления: привод насоса НШ 32-3 2
Трактор Т 330 Гидротрансформатор 4
Трактор Т 330Г Гидротрансформатор 4
Трактор Т-012 Коробка передач: вал вторичный -
Трактор Т-012 Пара коническая: вал ведомый -
Трактор Т-150 Двигатель: вал редуктора двигателя пускового 1
Трактор Т-150 Двигатель: насос водяной 2
Трактор Т-150 Двигатель: привод в сборе 2
Трактор Т-150К Вал отбора мощности: вал привода 1
Трактор Т-150К Двигатель: вал редуктора двигателя пускового 1
Трактор Т-150К Двигатель: насос водяной 2
Трактор Т-150К Двигатель: привод в сборе 2
Трактор Т-150К Управление рулевое: вал привода насоса 2
Трактор Т-150К Насос навески: вал привода 2
Трактор Т-151К с двигателем СМД-62/63 Вал отбора мощности: вал привода -
Трактор Т-151К с двигателем СМД-62/63 Двигатель: насос водяной -
Трактор Т-151К с двигателем СМД-62/63 Двигатель: привод в сборе -
Трактор Т-151К с двигателем СМД-62/63 Управление рулевое: вал привода насоса -
Трактор Т-151К с двигателем СМД-62/63 Двигатель, пусковой двигатель: вал редуктора -
Трактор Т-151К с двигателем СМД-62/63 Навеска: вал привода насоса -
Трактор Т-151К с двигателем СМД-62А/63А Насос водяной -
Трактор Т-151К с двигателем СМД-62А/63А Вал отбора мощности: вал привода -
Трактор Т-151К с двигателем СМД-62А/63А Управление рулевое: вал привода насоса -
Трактор Т-151К с двигателем СМД-62А/63А Навеска: вал привода насоса -
Трактор Т-16 Ось шестерни хода заднего 2
Трактор Т-25 Передача главная 1
Трактор Т-25 Управление рулевое 1
Трактор Т-25А Передача главная -
Трактор Т-25А Управление рулевое -
Трактор Т-40 Вал отбора мощности: привод боковой 1
Трактор Т-40 Вал отбора мощности задний 1
Трактор Т-40 Коробка передач: вал передачи замедленной 2
Трактор Т-40 Коробка передач: шестерня промежуточная 2
Трактор Т-40 Двигатель пусковой: вал редуктора 1
Трактор Т-40А Вал отбора мощности: привод боковой 1
Трактор Т-40А Вал отбора мощности задний 1
Трактор Т-40А Коробка передач: вал передачи замедленной 1
Трактор Т-40А Коробка передач: шестерня промежуточная 2
Трактор Т-40А Двигатель пусковой: вал редуктора 1
Трактор Т-40АМ Коробка раздаточная -
Трактор Т-40АМ Вал отбора мощности боковой -
Трактор Т-40АМ Двигатель пусковой: редуктор -
Трактор Т-40АМ Коробка передач с дифференциалом -
Трактор Т-40АНМ Коробка раздаточная -
Трактор Т-40АНМ Вал отбора мощности боковой -
Трактор Т-40АНМ Коробка передач с дифференциалом -
Трактор Т-40М Вал отбора мощности боковой -
Трактор Т-40М Двигатель пусковой: редуктор -
Трактор Т-40М Коробка передач с дифференциалом -
Трактор Т-4А Двигатель: насос водяной -
Трактор Т-74 Насос водяной -
Трактор Т-74 Двигатель пусковой -
Трактор Т-75 Двигатель: привод вентилятора, опора передняя 1
Трактор Т-75 Двигатель: привод вентилятора, опора задняя 1
Трактор Т-75 с двигателем СМД-14Г Двигатель: насос водяной -
Трактор Т-75 с двигателем СМД-14Г Двигатель: регулятор двигателя пускового -
Трактор Т-75МВ с двигателем А-41 Двигатель: насос водяной -
Трактор Т13010 Коробка передач: шестерня ведущая главной передачи, опора задняя -
Трактор Т13110 Коробка передач: шестерня ведущая главной передачи, опора задняя -
Трактор Т13110-70 Коробка передач: шестерня ведущая главной передачи, опора задняя -
Трактор ТТ-4М Насос водяной -
Трактор ТТ-4М Двигатель пусковой: редуктор -
Трактор ТТ-4М-01 Насос водяной -
Трактор ТТ-4М-01 Двигатель пусковой: редуктор -
Трактор ХТЗ-120 Двигатель: насос водяной -
Трактор ХТЗ-120 Управление рулевое: вал привода насоса -
Трактор ХТЗ-120 Коробка раздаточная: вал -
Трактор ХТЗ-120 Коробка раздаточная: вал привода ВОМ -
Трактор ХТЗ-121 Двигатель: насос водяной -
Трактор ХТЗ-121 Управление рулевое: вал привода насоса -
Трактор ХТЗ-121 Коробка раздаточная: вал -
Трактор ХТЗ-121 Коробка раздаточная: вал привода ВОМ -
Трактор ХТЗ-16131 (кроме двигателя) Коробка раздаточная: вал привода ВОМ -
Трактор ХТЗ-16131 (кроме двигателя) Коробка раздаточная: вал привода насоса рулевого управления и навески -
Трактор ХТЗ-16131 (кроме двигателя) Коробка раздаточная: вал привода насосов гидросистемы навесного устройства -
УАЗ 2206 Коробка передач 1
УАЗ 2206 Коробка передач: вал промежуточный 1
УАЗ 3151 Коробка передач 1
УАЗ 31512 Коробка передач: вал промежуточный 1
УАЗ 31514 Коробка передач: вал промежуточный 1
УАЗ 3153 Коробка передач: вал промежуточный 1
УАЗ 3303 Коробка передач 1
УАЗ 3303 Коробка передач: вал промежуточный 1
УАЗ 33036 Коробка передач: вал промежуточный 1
УАЗ 3741 Коробка передач 1
УАЗ 3741 Коробка передач: вал промежуточный 1
УАЗ 3909 Коробка передач: вал промежуточный 1
УАЗ 3962 Коробка передач 1
УАЗ 3962 Коробка передач: вал промежуточный 1
УАЗ 451ДМ Коробка передач 1
УАЗ 451М Коробка передач 1
УАЗ 452 фургон Коробка передач 1
УАЗ 452А Коробка передач 1
УАЗ 452В Коробка передач 1
УАЗ 452Д Коробка передач 1
УАЗ 469 Коробка передач 1
УАЗ 469Б Коробка передач 1
УАЗ 469БГ Коробка передач 1
УАЗ 469М Коробка передач 1
УРАЛ 4320 Двигатель 2
УРАЛ 5557 Двигатель 2
УРАЛ 5920 Двигатель 2
Бренд Обозначение
ГПЗ 305
SKF 6305
FAG 6305
NSK 6305
Товар добавлен в корзину
Перейти в корзину ×