Подшипники гост
Интернет-магазин
8-800-250-16-58
Обратный звонок

Заказ обратного звонка




Эл. почта:
info@amost.ru
Свои заказы Корзина пуста





Получать прайс-лист на email:

Чтобы отписаться от рассылки, введите e-mail, на который вы получаете наши письма:

 

Поиск подшипников

Масса и размеры

Внутренний диаметр d, мм

От  до 

Наружный диаметр D, мм

От  до 

Ширина b, мм

Применяемость

Раздел каталога

Подшипник шариковый радиальный однорядный основного конструктивного исполнения

414 ГОСТ 520

Отечественный
Импортный

Производитель



уточнять наличие
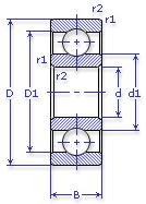
Обозначение 414 ГОСТ 520
Внутренний диаметр, d (мм) 70
Наружный диаметр, D (мм) 180
Ширина, В (мм) 42
Масса, m (кг) 4.72
Грузоподъемность динамическая, C (kN) 143
Грузоподъемность статическая, Co (kN) 105
Ном. частота вращен. при пластич. смазке, n grease (1/min) 3800
Марка стали, Материал ШХ-15
Диаметр шарика, d шарика (мм) 33.338
Количество шариков, N шариков 7
Ном. частота вращен. при жидк. смазке, n oil (1/min) 4500
414 ГОСТ 520

Этот подшипник может быть заменен другими:

Подшипник 50414 — Условие отсутствует

Марка Модель Узел Кол-во на узел
МАЗ 543 Передача повышающая 1
МАЗ 6303 Мост средний 1
МАЗ 6303 Мост средний 1
МАЗ 6422 Мост средний 1
МАЗ 6422 Мост средний 1
МАЗ 64221 Мост средний 1
МАЗ 64221 Мост средний 1
МАЗ 64224 Мост средний 1
МАЗ 64227 Мост средний 1
МАЗ 64227 Мост средний 1
МАЗ 64229 Мост средний 1
МАЗ 64255 Мост средний -
МАЗ 642554 Мост средний 1
МАЗ 64261 Мост средний -
МАЗ 7310 Передача повышающая 1
МАЗ 73101 Передача повышающая 1
Бренд Обозначение
ГПЗ 414
SKF 6414
FAG 6414
NSK 6414
Товар добавлен в корзину
Перейти в корзину ×