Подшипники гост
Интернет-магазин
8-800-250-16-58
Обратный звонок

Заказ обратного звонка




Эл. почта:
info@amost.ru
Свои заказы Корзина пуста





Получать прайс-лист на email:

Чтобы отписаться от рассылки, введите e-mail, на который вы получаете наши письма:

 

Поиск подшипников

Масса и размеры

Внутренний диаметр d, мм

От  до 

Наружный диаметр D, мм

От  до 

Ширина b, мм

Применяемость

Раздел каталога

Подшипник шариковый радиальный однорядный основного конструктивного исполнения

100 ТУ 003

Отечественный
Импортный

Производитель



уточнять наличие
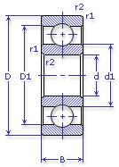
Обозначение 100 ТУ 003
Внутренний диаметр, d (мм) 10
Наружный диаметр, D (мм) 26
Ширина, В (мм) 8
Масса, m (кг) 0.0200
Грузоподъемность динамическая, C (kN) 4.62
Грузоподъемность статическая, Co (kN) 1.96
Ном. частота вращен. при пластич. смазке, n grease (1/min) 30000
Диаметр шарика, d шарика (мм) 4.763
Количество шариков, N шариков 7
Ном. частота вращен. при жидк. смазке, n oil (1/min) 36000
100 ТУ 003

Этот подшипник может быть заменен другими:

Подшипник 60100 — При условии демонтажа одной защитной шайбы

Подшипник 80100 — При условии демонтажа 2-х защитных шайб

Подшипник 180100 — При условии демонтажа 2-х защитных шайб

Марка Модель Узел Кол-во на узел
БелАЗ 7548(42т) Насос масляный задний 2
Мототехника Мокик ИЖ2.673 Коробка передач: вал первичный -
Бренд Обозначение
ГПЗ 100
SKF 6000
FAG 6000
NSK 6000
Товар добавлен в корзину
Перейти в корзину ×