Подшипники гост
Интернет-магазин
8-800-250-16-58
Обратный звонок

Заказ обратного звонка




Эл. почта:
info@amost.ru
Свои заказы Корзина пуста





Получать прайс-лист на email:

Чтобы отписаться от рассылки, введите e-mail, на который вы получаете наши письма:

 

Поиск подшипников

Масса и размеры

Внутренний диаметр d, мм

От  до 

Наружный диаметр D, мм

От  до 

Ширина b, мм

Применяемость

Раздел каталога

Подшипник шариковый радиальный однорядный основного конструктивного исполнения

10008/710 Л ГОСТ 520

Отечественный
Импортный
Цена: 298 893.00 руб

Производитель



под заказ
Обозначение 10008/710 Л ГОСТ 520
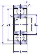
Внутренний диаметр, d (мм) 710
Наружный диаметр, D (мм) 870
Масса, m (кг) 103.7
Ширина, b (мм) 74
10008/710 Л ГОСТ 520
Товар добавлен в корзину
Перейти в корзину ×