Подшипники гост
Интернет-магазин
8-800-250-16-58
Обратный звонок

Заказ обратного звонка




Эл. почта:
info@amost.ru
Свои заказы Корзина пуста





Получать прайс-лист на email:

Чтобы отписаться от рассылки, введите e-mail, на который вы получаете наши письма:

 

Поиск подшипников

Масса и размеры

Внутренний диаметр d, мм

От  до 

Наружный диаметр D, мм

От  до 

Ширина b, мм

Применяемость

Раздел каталога

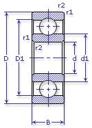
Подшипник шариковый радиальный однорядный основного конструктивного исполнения

1000817 АЛ ГОСТ 520

Отечественный
Импортный

Производитель



уточнять наличие
Обозначение 1000817 АЛ ГОСТ 520
Внутренний диаметр, d (мм) 85
Наружный диаметр, D (мм) 110
Ширина, В (мм) 13
Масса, m (кг) 0.2800
Грузоподъемность динамическая, C (kN) 16
Грузоподъемность статическая, Co (kN) 14
Ном. частота вращен. при пластич. смазке, n grease (1/min) 5300
Марка стали, Материал ШХ-15
Диаметр шарика, d шарика (мм) 7.938
Количество шариков, N шариков 21
Ном. частота вращен. при жидк. смазке, n oil (1/min) 6300
1000817 АЛ ГОСТ 520
Бренд Обозначение
ГПЗ 1000817
SKF 61817
FAG 61817
NSK 6817
Товар добавлен в корзину
Перейти в корзину ×