Подшипники гост
Интернет-магазин
8-800-250-16-58
Обратный звонок

Заказ обратного звонка




Эл. почта:
info@amost.ru
Свои заказы Корзина пуста





Получать прайс-лист на email:

Чтобы отписаться от рассылки, введите e-mail, на который вы получаете наши письма:

 

Поиск подшипников

Масса и размеры

Внутренний диаметр d, мм

От  до 

Наружный диаметр D, мм

От  до 

Ширина b, мм

Применяемость

Раздел каталога

Подшипник шариковый радиальный однорядный основного конструктивного исполнения

1000824 Л ТУ 37.006.068

Отечественный
Импортный

Производитель



уточнять наличие
Обозначение 1000824 Л ТУ 37.006.068
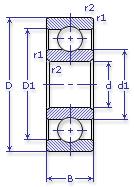
Внутренний диаметр, d (мм) 120
Наружный диаметр, D (мм) 150
Ширина, В (мм) 16
Масса, m (кг) 0.69
Грузоподъемность динамическая, C (kN) 29.1
Грузоподъемность статическая, Co (kN) 25.5
Ном. частота вращен. при пластич. смазке, n grease (1/min) 3800
Диаметр шарика, d шарика (мм) 9.128
Количество шариков, N шариков 25
Ном. частота вращен. при жидк. смазке, n oil (1/min) 4500
1000824 Л ТУ 37.006.068
Бренд Обозначение
ГПЗ 1000824
SKF 61824
FAG 61824
NSK 6824
Товар добавлен в корзину
Перейти в корзину ×