Подшипники гост
Интернет-магазин
8-800-250-16-58
Обратный звонок

Заказ обратного звонка




Эл. почта:
info@amost.ru
Свои заказы Корзина пуста





Получать прайс-лист на email:

Чтобы отписаться от рассылки, введите e-mail, на который вы получаете наши письма:

 

Поиск подшипников

Масса и размеры

Внутренний диаметр d, мм

От  до 

Наружный диаметр D, мм

От  до 

Ширина b, мм

Применяемость

Раздел каталога

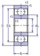
Подшипник шариковый радиальный однорядный основного конструктивного исполнения

1000828 АЛ ГОСТ 520

Отечественный
Импортный

Производитель



уточнять наличие
Обозначение 1000828 АЛ ГОСТ 520
Внутренний диаметр, d (мм) 140
Наружный диаметр, D (мм) 175
Ширина, В (мм) 18
Масса, m (кг) 1.08
Грузоподъемность динамическая, C (kN) 38
Грузоподъемность статическая, Co (kN) 35.5
Ном. частота вращен. при пластич. смазке, n grease (1/min) 3400
Диаметр шарика, d шарика (мм) 9.525
Количество шариков, N шариков 28
Ном. частота вращен. при жидк. смазке, n oil (1/min) 4000
1000828 АЛ ГОСТ 520
Марка Модель Узел Кол-во на узел
МАЗ 7410 Коробка передач планетарная 1
Бренд Обозначение
ГПЗ 1000828
SKF 61828
FAG 61828
NSK 6828
Товар добавлен в корзину
Перейти в корзину ×