Подшипники гост
Интернет-магазин
8-800-250-16-58
Обратный звонок

Заказ обратного звонка




Эл. почта:
info@amost.ru
Свои заказы Корзина пуста





Получать прайс-лист на email:

Чтобы отписаться от рассылки, введите e-mail, на который вы получаете наши письма:

 

Поиск подшипников

Масса и размеры

Внутренний диаметр d, мм

От  до 

Наружный диаметр D, мм

От  до 

Ширина b, мм

Применяемость

Раздел каталога

Подшипник шариковый радиальный однорядный основного конструктивного исполнения

1000828 Л ЕТУ ВНИПП.500

Отечественный
Импортный

Производитель



уточнять наличие
Обозначение 1000828 Л ЕТУ ВНИПП.500
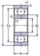
Внутренний диаметр, d (мм) 140
Наружный диаметр, D (мм) 175
Ширина, В (мм) 18
Масса, m (кг) 1.08
Грузоподъемность динамическая, C (kN) 38
Грузоподъемность статическая, Co (kN) 35.5
Ном. частота вращен. при пластич. смазке, n grease (1/min) 3400
Диаметр шарика, d шарика (мм) 9.525
Количество шариков, N шариков 28
Ном. частота вращен. при жидк. смазке, n oil (1/min) 4000
1000828 Л ЕТУ ВНИПП.500
Марка Модель Узел Кол-во на узел
МАЗ 7410 Коробка передач планетарная 1
Бренд Обозначение
ГПЗ 1000828
SKF 61828
FAG 61828
NSK 6828
Товар добавлен в корзину
Перейти в корзину ×