Подшипники гост
Интернет-магазин
8-800-250-16-58
Обратный звонок

Заказ обратного звонка




Эл. почта:
info@amost.ru
Свои заказы Корзина пуста





Получать прайс-лист на email:

Чтобы отписаться от рассылки, введите e-mail, на который вы получаете наши письма:

 

Поиск подшипников

Масса и размеры

Внутренний диаметр d, мм

От  до 

Наружный диаметр D, мм

От  до 

Ширина b, мм

Применяемость

Раздел каталога

Подшипник шариковый радиальный однорядный основного конструктивного исполнения

1000834 Л ТУ 37.006.087

Отечественный
Импортный

Производитель



уточнять наличие
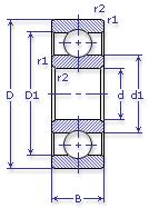
Обозначение 1000834 Л ТУ 37.006.087
Внутренний диаметр, d (мм) 170
Наружный диаметр, D (мм) 215
Ширина, В (мм) 22
Масса, m (кг) 2.030
Грузоподъемность динамическая, C (kN) 60
Грузоподъемность статическая, Co (kN) 50
Ном. частота вращен. при пластич. смазке, n grease (1/min) 2600
Марка стали, Материал ШХ-15
Диаметр шарика, d шарика (мм) 15.081
Количество шариков, N шариков 24
Ном. частота вращен. при жидк. смазке, n oil (1/min) 3200
1000834 Л ТУ 37.006.087
Марка Модель Узел Кол-во на узел
Станкостроение Не указано Не указано -
Бренд Обозначение
ГПЗ 1000834
SKF 61834
FAG 61834
NSK 6834
Товар добавлен в корзину
Перейти в корзину ×