Подшипники гост
Интернет-магазин
8-800-250-16-58
Обратный звонок

Заказ обратного звонка




Эл. почта:
info@amost.ru
Свои заказы Корзина пуста





Получать прайс-лист на email:

Чтобы отписаться от рассылки, введите e-mail, на который вы получаете наши письма:

 

Поиск подшипников

Масса и размеры

Внутренний диаметр d, мм

От  до 

Наружный диаметр D, мм

От  до 

Ширина b, мм

Применяемость

Раздел каталога

Подшипник шариковый радиальный однорядный основного конструктивного исполнения

1000840 ГОСТ 520

Отечественный
Импортный

Производитель



уточнять наличие
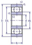
Обозначение 1000840 ГОСТ 520
Внутренний диаметр, d (мм) 200
Наружный диаметр, D (мм) 250
Ширина, В (мм) 24
Масса, m (кг) 2.8600
Грузоподъемность динамическая, C (kN) 76
Грузоподъемность статическая, Co (kN) 72
Ном. частота вращен. при пластич. смазке, n grease (1/min) 2200
Марка стали, Материал ШХ-15
Диаметр шарика, d шарика (мм) 14.288
Количество шариков, N шариков 21
Ном. частота вращен. при жидк. смазке, n oil (1/min) 2800
1000840 ГОСТ 520
Марка Модель Узел Кол-во на узел
Станкостроение Не указано Не указано -
Станкостроение Не указано Не указано -
Бренд Обозначение
ГПЗ 1000840
SKF 61840
FAG 61840
NSK 6840
Товар добавлен в корзину
Перейти в корзину ×