Подшипники гост
Интернет-магазин
8-800-250-16-58
Обратный звонок

Заказ обратного звонка




Эл. почта:
info@amost.ru
Свои заказы Корзина пуста





Получать прайс-лист на email:

Чтобы отписаться от рассылки, введите e-mail, на который вы получаете наши письма:

 

Поиск подшипников

Масса и размеры

Внутренний диаметр d, мм

От  до 

Наружный диаметр D, мм

От  до 

Ширина b, мм

Применяемость

Раздел каталога

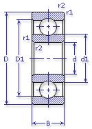
Подшипник шариковый радиальный однорядный основного конструктивного исполнения

1000852 Л ГОСТ 520

Отечественный
Импортный

Производитель



уточнять наличие
Обозначение 1000852 Л ГОСТ 520
Внутренний диаметр, d (мм) 260
Наружный диаметр, D (мм) 320
Ширина, В (мм) 28
Масса, m (кг) 5.0700
Грузоподъемность динамическая, C (kN) 111
Грузоподъемность статическая, Co (kN) 120
Ном. частота вращен. при пластич. смазке, n grease (1/min) 1700
Марка стали, Материал ШХ-15
Ном. частота вращен. при жидк. смазке, n oil (1/min) 2000
1000852 Л ГОСТ 520
Бренд Обозначение
ГПЗ 1000852
SKF 61852
FAG 61852
NSK 6852
Товар добавлен в корзину
Перейти в корзину ×