Подшипники гост
Интернет-магазин
8-800-250-16-58
Обратный звонок

Заказ обратного звонка




Эл. почта:
info@amost.ru
Свои заказы Корзина пуста





Получать прайс-лист на email:

Чтобы отписаться от рассылки, введите e-mail, на который вы получаете наши письма:

 

Поиск подшипников

Масса и размеры

Внутренний диаметр d, мм

От  до 

Наружный диаметр D, мм

От  до 

Ширина b, мм

Применяемость

Раздел каталога

Подшипник шариковый радиальный однорядный основного конструктивного исполнения

1000852 АЛШ ГОСТ 520

Отечественный
Импортный

Производитель



уточнять наличие
Обозначение 1000852 АЛШ ГОСТ 520
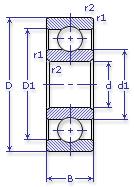
Внутренний диаметр, d (мм) 260
Наружный диаметр, D (мм) 320
Ширина, В (мм) 28
Масса, m (кг) 5.0700
Грузоподъемность динамическая, C (kN) 111
Грузоподъемность статическая, Co (kN) 120
Ном. частота вращен. при пластич. смазке, n grease (1/min) 1700
Марка стали, Материал ШХ-15
Ном. частота вращен. при жидк. смазке, n oil (1/min) 2000
1000852 АЛШ ГОСТ 520
Бренд Обозначение
ГПЗ 1000852
SKF 61852
FAG 61852
NSK 6852
Товар добавлен в корзину
Перейти в корзину ×