Подшипники гост
Интернет-магазин
8-800-250-16-58
Обратный звонок

Заказ обратного звонка




Эл. почта:
info@amost.ru
Свои заказы Корзина пуста





Получать прайс-лист на email:

Чтобы отписаться от рассылки, введите e-mail, на который вы получаете наши письма:

 

Поиск подшипников

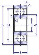
Масса и размеры

Внутренний диаметр d, мм

От  до 

Наружный диаметр D, мм

От  до 

Ширина b, мм

Применяемость

Раздел каталога

Подшипник шариковый радиальный однорядный основного конструктивного исполнения

1000892 У ГОСТ 520

Отечественный
Импортный

Производитель



уточнять наличие
Обозначение 1000892 У ГОСТ 520
Внутренний диаметр, d (мм) 460
Наружный диаметр, D (мм) 580
Ширина, В (мм) 56
Масса, m (кг) 36.3
Грузоподъемность динамическая, C (kN) 300
Грузоподъемность статическая, Co (kN) 400
Ном. частота вращен. при пластич. смазке, n grease (1/min) 900
Марка стали, Материал ШХ-15
Диаметр шарика, d шарика (мм) 38.1
Количество шариков, N шариков 23
Ном. частота вращен. при жидк. смазке, n oil (1/min) 1100
1000892 У ГОСТ 520
Марка Модель Узел Кол-во на узел
Станкостроение Не указано Не указано -
Бренд Обозначение
ГПЗ 1000892
SKF 61892
FAG 61892
NSK 6892
Товар добавлен в корзину
Перейти в корзину ×