Подшипники гост
Интернет-магазин
8-800-250-16-58
Обратный звонок

Заказ обратного звонка




Эл. почта:
info@amost.ru
Свои заказы Корзина пуста





Получать прайс-лист на email:

Чтобы отписаться от рассылки, введите e-mail, на который вы получаете наши письма:

 

Поиск подшипников

Масса и размеры

Внутренний диаметр d, мм

От  до 

Наружный диаметр D, мм

От  до 

Ширина b, мм

Применяемость

Раздел каталога

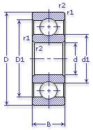
Подшипник шариковый радиальный однорядный основного конструктивного исполнения

1000905 ГОСТ 520

Отечественный
Импортный

Производитель



уточнять наличие
Обозначение 1000905 ГОСТ 520
Внутренний диаметр, d (мм) 25
Наружный диаметр, D (мм) 42
Ширина, В (мм) 9
Масса, m (кг) 0.0407
Грузоподъемность динамическая, C (kN) 7.35
Грузоподъемность статическая, Co (kN) 3.7
Ном. частота вращен. при пластич. смазке, n grease (1/min) 15000
Диаметр шарика, d шарика (мм) 5.0
Количество шариков, N шариков 12
Ном. частота вращен. при жидк. смазке, n oil (1/min) 18000
1000905 ГОСТ 520
Марка Модель Узел Кол-во на узел
БелАЗ 75211(180т) Генератор-дизель 16
Бренд Обозначение
ГПЗ 1000905
SKF 61905
FAG 61905
NSK 6905
Товар добавлен в корзину
Перейти в корзину ×